单相电机调速方法_交流晶闸管调速_变频器调速
时间:2022-12-11来源:佚名
|
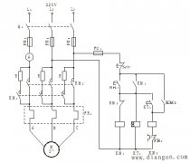
有关单相电机的调速方法,串电抗器调速,电动机绕组内部抽头调速,变频器调速,以及变极调速的方法,并介绍了电容的作用等,一起来了解下。 单相电机的调速方法1、串电抗器调速 将电抗器与电动机定子绕组串联,利用电抗器上产生的压降使加到电机定子绕组上的电压低于电源电压,从而达到降低电动机转速的目的。 此种调速方法,只能是由电机的额定转速往低调。多用在吊扇及台扇上。 2、电动机绕组内部抽头调速 通过调速开关改变中间绕组与启动绕组及工作绕组的接线方法,从而达到改变电动机内部气隙磁场的大小,达到调节电动机转速的目的。有L型和T型两种接法。 3、交流晶闸管调速(最后图例网带调速电机就使用该原理) 利用改变晶闸管的导通角,来实现调节加在单相电动机上的交流电压的大小,从而达到调速的目的。此方法可以实现无级调速,缺点是有一些电磁干扰。常用于电风扇的调速上。 4,变频器调速。 5,变极调速(比如二极变四极,六极八极) 下图为第一种,电抗调速。
电容的作用: 更改主副绕组的相位,让其保持一个相位差,这样定子与转子间形成旋转的磁场,转子转动。 与三相电机类似,只是三相电机的旋转磁场是由三相自身的相位差通过绕组形成。 Z点即为可调点,与调速控制器上的调节旋钮对应起来,调整旋钮,副绕组所承受的电压降低了,定子电压降低,而使转速降低。 单相电机的应用,在传送带上,小功率负载,几百W。如果功率大了的话,超过1KW,最好还是选用变频器驱动。 |








