电动机控制:正反转控制方式
时间:2022-12-11来源:佚名
|
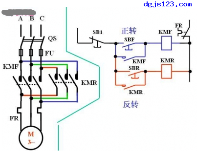
电动机控制:正反转控制 简单控制过程:按下SBF→电机正转→按下SB1→电机停转→按下SBR→电机反转
此控制方式缺点: 1)必须先停转后才能由正转到反转或反转到正转。 2)SBF和SBR不能同时按下,否则会造成短路。 |
|
电动机控制:正反转控制 简单控制过程:按下SBF→电机正转→按下SB1→电机停转→按下SBR→电机反转
此控制方式缺点: 1)必须先停转后才能由正转到反转或反转到正转。 2)SBF和SBR不能同时按下,否则会造成短路。 |






