三相笼型异步电动机的二种正反转控制线路(图)
时间:2022-12-11来源:佚名
|
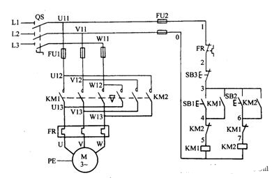
本文介绍了二种三相笼型异步电动机的控制线路,对三相笼型异步电动机进行正反转控制必备的二种控制线路,分别为接触器联锁的正反转控制线路、按钮、接触器双重联锁的正反转控制线路。 三相笼型异步电动机的正反转控制线路一、接触器联锁的正反转控制线路 接触器联锁的正反转控制线路,如图1:
图1接触器联锁的正反转控制线路 必须指出,接触器KMl和KM2的主触头绝不允许同时闭合,否则将造成两相电源(Ll相和L3相)短路事故。因此设置实现联锁作用的动断辅助触头,称为联锁触头 (或互锁触头)。 线路工作原理:先合上电源开关Qs。 1、正转控制
2、反转控制
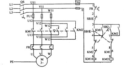
停止时,按下停止按钮SB3,控制电路失电,KM1(或KM2)主触头分断,电动机M失电停止转动。 二、按钮、接触器双重联锁的正反转控制线路 为克服接触器联锁正反转控制线路的不足,在接触器联锁的基础上,又增加了按钮联锁,构成按钮、接触器双重联锁正反转控制线路,如图2:
图2 双重联锁的正反转控制线路 线路的工作原理:先合上电源开关QS。 1、正转控制
2、反转控制
若要停止,按下SB3,整个控制电路失电,主触头分断,电动机M失电停止转动。 相关阅读: 1、电动机接线图:三相电动机正反转接触器互锁实物接线图 2、三相异步电动机正反转控制接线图及功能 3、三相异步电动机正反转接线图实例 |













