三相电机正反转控制电路图及原理详解
时间:2022-12-11来源:佚名
|
本文介绍了三相电机实现正反转控制的电路图,通过多个电气原理图来讲解电机正反转控制的执行过程,整个正反转控制电路图中,涉及到断路器、正转接触器与反转接触器等元件。
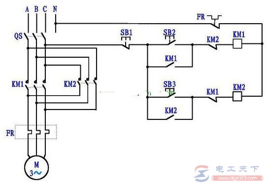
图(1),三相电机正反转电路图。 QS为断路器,KM1正转接触器,KM2反转接触器,FR热继电器,SB1停止按钮,SB2正转启动按钮,SB3反转启动按钮。
图(2) 把带电部分标成红色,没合断路器QS之前,只有断路器上火带电。
图(3) 合上QS,图中控制回路部分,SB2、KM1、SB3、KM2常开点都为断开状态,无论正转还是反转接触器线圈都不得电,所以电机停止状态。
图(4) 按下正转启动按钮SB2,KM1线圈得电吸合。KM1主触点闭合,电机正转。
图(5) 松开SB2,KM1常开辅助触点闭合,KM1接触器自锁,电机保持正转。 |












