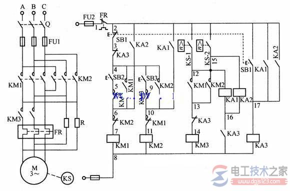
电动机可逆反向转动反接制动的电路图
|
电动机可逆反向转动反接制动接线图 电动机可逆运转反接制动控制电路,图中KM1、KM2分别是电动机正、反转接触器,KM3为短接制动电阻接触器,KA1、KA2、KA3为中间继电器,KS为速度继电器,其中KS-1为正转触点,KS-2为反转触点,R为反接制动电阻。 电动机需正向旋转时,合上电源开关Q,按下正向起动按钮SB2,KM1线圈得电吸合并自锁,电动机定子串入电阻,接入正相序三相交流电源进行减压起动,当速度继电器转速超过120r/min时,速度继电器KS动作,其正转触点KS-1闭合,使KM3线圈得电短接定子电阻,电动机在全压下起动并进入正常运行状态。 当需要停车时,按下停止按钮SB1,KM1、KM3线圈相继断电释放,电动机定子串入电阻并断开正相序三相交流电源,电动机依惯性高速旋转但当停止按钮按到底时,SB1常开触点闭合,KA3线圈得电吸合,其常闭触点再次断开KM3线圈电路,确保KM3处于断电状态,保证反接制动电阻R的接入;而其常开触点KA3闭合,由于此时电动机转速仍然很高,速度继电器转速仍大于释放值,故KS-1仍处于闭合状态,从而使KA1线圈经触点KS-1得电吸合,而触点KA1的闭合,又保证了当停止按钮SB1松开后KA3线圈仍保持吸合,而KA1的另一常开触点的闭合,使KM2线圈得电吸合。 于是SB1按到底时后,电动机定子串入反接制动电阻接入反相序三相交流电源进行反接制动,使电动机转速迅速下降。当速度继电器转速低于120r/min时,速度继电器动作,其正转触点KS-1断开,KA1、KM2、KM3线圈相继断电释放,反接制动结束,电动机自然停车。 电动机反向运转,停止时的反接制动控制电路工作情况与上述相似,不同的是速度继电器起作用的是反向触点KS-2,中间继电器KA2替代了KA1,其余情况相同。 电路中定子电阻R具有限制起动电流和反接制动电流的双重作用。 注意,停车时务必将按钮SB1按到底,否则将因SB1常开触点未闭合而无反接制动作用。 热继电器按图接线,可避免启动电流和制动电流引起的误操作。 应适当调整速度继电器触点反力弹簧的松紧程度,以获得较好的制动效果。 |





