电动机控制:行程控制的二种方法
时间:2022-12-11来源:佚名
|
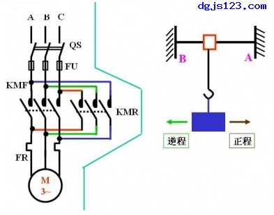
一、电动机控制:行程控制 如图:
行程控制的核心:增加了限位开关,通过限位开关来起到机械到达一定位置后自动停止或往回运动的功能。 说明: 正程运行过程: 按下SB2→正向运行→至右极端位置撞开STA→电机及机械停转 逆程运行过程和正程运行过程类似。 二、电动机控制:行程控制之自动往复运动 如图:
关键部位在于限位开关采用复合开关,分别有一副常开和一副常闭接点接入控制回路。 正程运行时: 按下控制按钮SBF→电机启动正向运行→到达极限位置后→撞击限位开关STa→限位开关STa常闭接点断开,停止正向运行; 同时限位开关STa常开接点闭合,电机启动逆程运行,逆程运行和正程运行类似,如此往复,直到按下停止按钮SB1为止。 |













