三相交流异步电动机变极调速原理与变极调速控制电路
|
三相交流异步电动机变极调速原理与变极调速控制电路 原文标题:三相交流异步电动机的调速控制电路 由三相交流异步电动机的转速公式 1、变极调速原理 改变异步电动机定子绕组的连接方式,可以改变磁极对数,从而得到不同的转速。 常见的交流变极调速电动机有双速电动机和多速电动机。 双速电动机定子绕组常见的接法有 Y/YY 和△ /YY 两种。下图所示为 4/2 极△ /YY 的双速电动机定子绕组接线图。在制造时每相绕组就分为两个相同的绕组,中间抽头依次为 U2 、 V2 、 W2 ,这两个绕组可以串联或并联。 根据变极调速原理“定子一半绕组中电流方向变化,磁极对数成倍变化”,下图 (a) 将绕组的 U1 、 V1 、 W1 三个端子接三相电源,将 U2 、 V2 、 W2 三个端子悬空,三相定子绕组接成三角形(△)。这时每相的两个绕组串联,电动机以 4 极运行,为低速。下图 (b) 将 U2 、 V2 、 W2 三个端子接三相电源, U1 、 V1 、 W1 连成星点,三相定子绕组连接成双星( YY )形。这时每相两个绕组并联,电动机以 2 极运行,为高速。根据变极调速理论,为保证变极前后电动机转动方向不变,要求变极的同时改变电源相序。
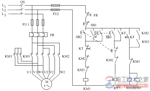
(a) 低速△形接法 (b) 高速 YY 形接法 图 4/2 极△ /YY 形的双速电动机定子绕组接线图 2、变极调速控制电路 4/2 极的双速交流异步电动机控制电路如下图所示。
图 4/2 极的双速交流异步电动机控制电路 上图中,合上电源开关 QS ,按下 SB2 低速起动按钮,接触器 KM1 线圈得电并自锁, KM1 的主触点闭合,电动机 M 的绕组连接成△形并以低速运转。由于 SB2 的动断触点断开,时间继电器线圈 KT 不得电。 按下高速起动按钮 SB3 ,接触器 KM1 线圈得电并自锁,电动机 M 连接成△形低速起动;由于 SB3 是复合按钮,时间继电器 KT 线圈同时得电吸合, KT 瞬时动合触点闭合自锁,经过一定时间后, KT 延时动断触点分断,接触器 KM1 线圈失电释放, KM1 主触点断开, KT 延时动合触点闭合,接触器 KM2 、 KM3 线圈得电并自锁, KM2 、 KM3 主触点同时闭合,电动机 M 的绕组连接成 YY 形并以高速运行。 |
可知,要改变异步电动机的转速,可采用改变电源频率 f 1 、改变磁极对数 p 以及改变转差率 s 等 3 种基本方法。








