一例车载电源转换器的电路图
时间:2022-12-12来源:佚名
|
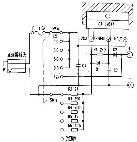
汽车点烟器获取的电压为12的直流电压,一般12V低压电器可以直接使用。但有些CD、MP3、MP4等需要不同的电源电压,如3V、6V等,可以通过一个自制的简单转换器来解决这一问题。 车载电源转换器电路图一个车载电源转换器的简单电路图,如下图:
在该电路图中12V电源从车载点烟器插孔取出,经二刀六位波段开关之一SW1A送入可调三端稳压器LM317的输入脚,LM317的调整脚(ADJ)经SW1B接入不同阻值的电阻到电源负端。当SW1在不同档位时,可以在输出端获得1.5V、3.0V、5.0V、6.0V、9.0V、12V几种电压,供相应的低压电器使用。LM317应安装在铝散热器(100×100×25mm)上,主要原因是在1.5V档时发热量较大。整个电路装入适当的小盒中,面板上只设波段开关。 图中R2~R6是输出电压设定电阻,如果需要其它等级电压,可以按下式计算:VOUT=(1 R2/R1)VREF IADJ≌(1 R2/R1)VREF 式中VREF为基准电压,典型值1.25V,IADJ为ADJ脚流出电流,典型值50μA,R2代表图中R2~R6之一。 图中C1、C2为防振电容,C3可以提高纹波除去率和电路稳定性,D1为输出短路保护二极管,D2防止输出端出现高于输入端电位时对稳压器的损害。 常见车载逆变器电路图
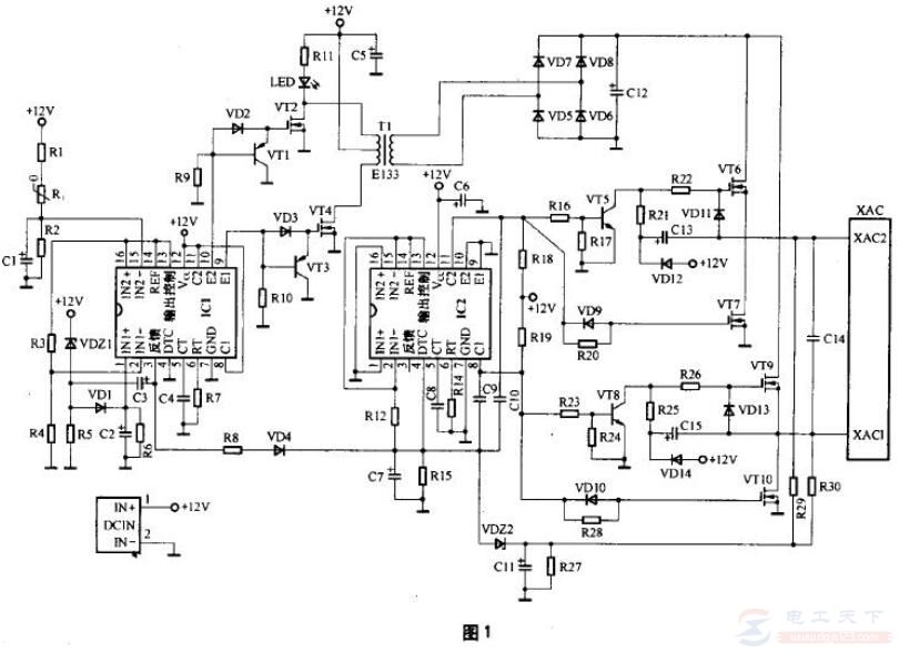
有关车载逆变器的相关知识,介绍了车载逆变器的主要技术指标,一款最常见的车载逆变器电路图,以及该车载逆变器的工作原理,有需要的朋友参考下。 一例车载逆变器的电路原理图
本文介绍了车载逆变器的电路组成,以及车载逆变器电路的工作原理,不同的控制电路实现的功能作用是什么,帮助大家了解车载逆变器电路图及工作原理,有需要的朋友参考下。 |










