一个自制实用的绝缘检测器
时间:2022-12-12来源:佚名
|
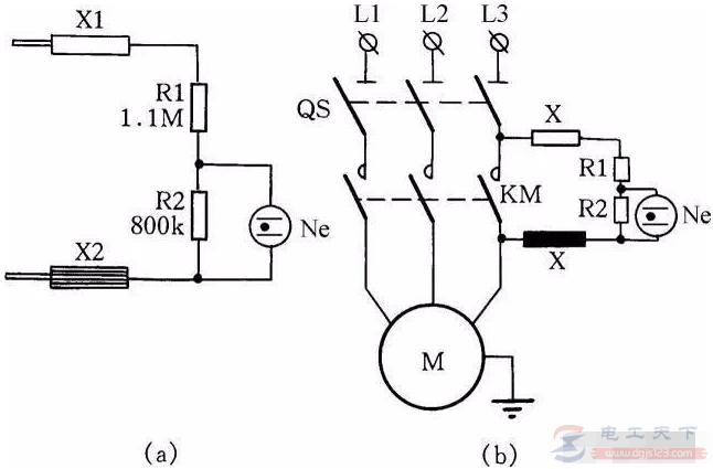
下图中是一个自制的绝缘检测器线路,不仅可以用作线路绝缘监视,还可以代替兆欧表检查电机、测电器的绝缘电阻。
图18 自制实用的绝缘检测器 具体工作过程为: 当合上隔离开关QS,在相电压作用下,整个绕组和接地外壳之间的泄漏电流流过绝缘层和电阻R1、R2。如果绝缘电阻合乎标准(即绝缘电阻值大于0.5MΩ),那么泄漏电流很小时,在R2上的电压降小于氖泡的点燃电压,Ne不亮;当任意两相或三相同时对机壳的绝缘电阻降低时,泄漏电流将会大增,从而使氖泡Ne被点燃,可以判定为绝缘不合格。 |









