一例扩大单相自耦调压器调节电压范围的线路
时间:2022-12-12来源:佚名
|
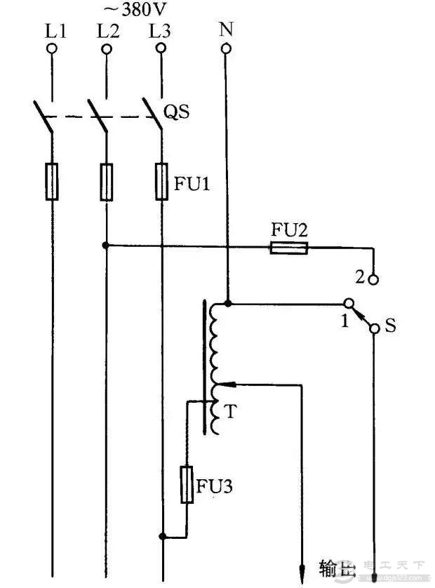
一般的单相自耦调压器调压范围在0-250V之间,有时需要高于250V的可调电压,可以按下图接线,即可得到0~406V连续可调的输出电压。 如图:
图1:扩大单相自耦调压器调节电压范围线路 说明: 1、当S打在“1”档位置时,输出电压为0~250V; 2、将S打在“2”档位置时,输出电压为220~406V。 |
|
一般的单相自耦调压器调压范围在0-250V之间,有时需要高于250V的可调电压,可以按下图接线,即可得到0~406V连续可调的输出电压。 如图:
图1:扩大单相自耦调压器调节电压范围线路 说明: 1、当S打在“1”档位置时,输出电压为0~250V; 2、将S打在“2”档位置时,输出电压为220~406V。 |








