蓝式过滤器工作原理及技术参数的说明
时间:2021-07-14来源:佚名
|
三精蓝式过滤器用油或其它液体管道上,过滤管道里的杂物,过滤孔面积比通径管面积大于2-3倍.远远超过Y型、T型过滤器过滤面积。过滤器精度在过滤器中属于一种精度佳的过滤器,滤网结构与其它过滤网不一样。
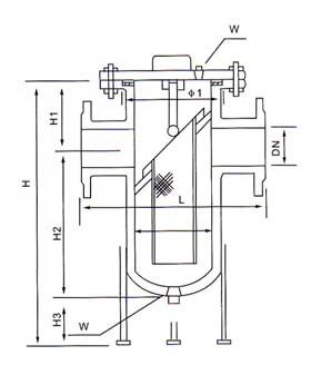
蓝式过滤器 蓝式过滤器工作原理:管道在安装时会有其它杂物带入管道,在生产中原材料中也含有杂物。管道里液体经过过滤器时它的污物由过滤器收藏到滤网中,在一定的程度时打开壳盖清理滤网即可。 蓝式过滤器技术参数:
工作压力:1.6-5.0Pa 介质:油、水、气 壳体:钢管焊制 过滤精度:0.22-1.0mm 滤芯、滤网:304材料 蓝式过滤器外型连接尺寸: 1.6MPa 1.6MPa连接尺寸
2.5MPa蓝式过滤器外型连接尺寸:
|







