利用硅整流器件电镀线路的工作原理图
时间:2022-12-12来源:佚名
|
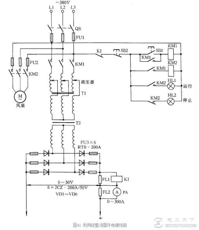
在电镀过程中,经常利用硅整流器件的调压电路进行工作,其工作原理如图所示。
图1:硅整流器件电镀线路 工作原理:当进行工作时,按下按钮SB1,接触器KM1 线圈通电,主回路中触点闭合,线路输出直流电压。同时,KM2得电动作,接通电扇,对硅整流器件以及调压器吹冷风降温。在该线路中,KI为过流继电器。 |
|
在电镀过程中,经常利用硅整流器件的调压电路进行工作,其工作原理如图所示。
图1:硅整流器件电镀线路 工作原理:当进行工作时,按下按钮SB1,接触器KM1 线圈通电,主回路中触点闭合,线路输出直流电压。同时,KM2得电动作,接通电扇,对硅整流器件以及调压器吹冷风降温。在该线路中,KI为过流继电器。 |









