一例防止抽水泵空抽的保护电路图
时间:2022-12-12来源:佚名
|
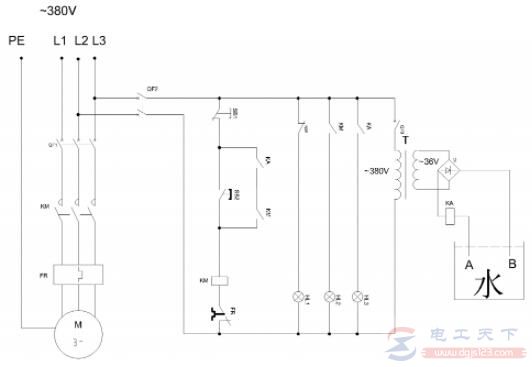
防止抽水泵空抽的保护电路 以下是电路原理图:
控制回路最右边是一个变压器,380V变36V然后经过一个整流桥,变成直流36v电压,引出两条线,放入水池,串联36V的中间继电器KA的线圈。 当水池中水位下降到A、B触点下时,KA线圈失电,串联在KM线圈回路中的KA常开触点断开,导致无法自锁,从而达到防治空抽的目的。 三个指示灯HL1、 HL2、 HL3分别为停止指示灯、运行指示灯、有水指示灯。 常见故障: 按下启动按钮SB2后电动状态,无法自锁。 维修方法:先看指示灯HL3是否亮,若不亮,则为防控抽电路有问题;若亮,为自锁电路KA、KM常开触点问题。现场观察指示灯不亮,经检查确认是QF3未合上。 |










