一例应急照明灯电路图及功能说明
时间:2022-12-12来源:佚名
|
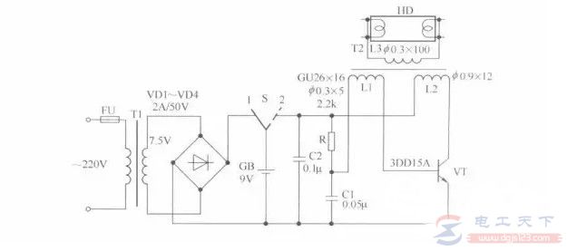
有关应急照明灯的电路图,该电路的主要功能是什么,在设计电路时需要注意哪些问题,当该应急照明灯电路安装无误之后,如果通电不起振应该怎么办,下面来了解下。 应急照明灯电路电路图如下:
主要功能: 当开关S在“1”的位置时,220V的交流电源经变压器T1降压、VD1~VD4整流后向蓄电池GB充电。当停止交流供电时,可以把开关S拨向“2”的位置,此时蓄电池向逆变变压器T2二次[侧]输出高压,使灯管启辉。 逆变变压器采用铁氧体罐形磁芯绕制,规格为GU26×16。在绕制时注意高压绕组L3的绝缘。电池组可以根据条件选用。电源变压器可用10VA铁芯绕制。灯管可选用7W的H形或U形节能灯。 相关问题: 在电路安装无误之后,如果通电不起振,可能是反馈线圈接反了,一般将L1两端对调,即可正常工作。调整C1的容量可改变振荡频率,C1的容量越大,振荡频率越低。 应急灯应用广泛,如果应用在消防工程中时,除了应具有产品相关合格证外,灯具还必须采用金属外壳,灯头(指白炽灯)不允许采用塑料制品。 |







