中睿照明网
首页
>
百科知识
>
电工知识
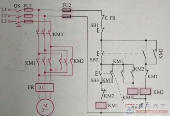
一例防止正反转转换期间相间短接的三接触器控制线路
时间:2022-12-12
来源:佚名
防止正反转转换期间相间短接的三接触器控制线路,如下图:
工作过程为:
相关阅读
水电安装精确定位标准做法,新人必看
目录 一、楼面、梁、墙柱内电线管预埋 二、混凝土墙内电气线盒安装 三、电箱底盒预埋及安装 四、预制墙板内管线安装 五、混凝土墙内给水管预埋 六、给水管天花敷设 七、止水节安...
2023-06-11
基于LM317的可调低压电源电路图
电子产品的专业人士和业余爱好者都可能受益于可调低压电源。它提供一致且可调节的直流电压输出,可以对其进行修改以满足各种电子电路和零件的独特需求。该电路原理图展示了如...
2023-08-06
50V 3A直流稳压电源电路图
这是一款直流电源,可为您提供 50V/3A 输出,经过调节和稳定。 组件清单: R1=10千欧姆 R8=1.8K欧姆0.5W Q3=BC303或BC461 R2=1欧姆5W R9=3.3K欧姆0.5W D1….4=电桥 15A R3=3.9欧姆1W RV1=470欧姆电位器。...
2023-08-11
西门子S7-SMART/200/1200PLC对比
硬件方面:首先通讯口的区别,S7-200标配与RS485的通讯接口,S7-1200标配的时以太网接口,而S7-200SMART标配了RS485和以太网两种接口。 知识点1: 以太网是现实生活中最普遍的一种计算机网...
2023-04-30
13例可控硅控制电路制作方法 12v单向可控硅触发电路图
可控硅是可控硅整流器的简称。可控硅有单向、双向、可关断和光控几种类型。它具有体积小、重量轻、效率高、寿命长、控制方便等优点,被广泛用于可控整流、调压、逆变以及无触...
2023-07-18
热销商品
加厚abs安全帽电工建筑工地程施工领导监理透气防砸头盔可印字V型
这款加厚ABS安全帽专为电工、建筑工地施工人员、领导及监理设计,采用高强度ABS工程塑料,抗冲击、防砸性能优异,有效保障头部安全。帽体加厚设计,增强耐用性与防护等级...
¥
5.8
欧普led筒灯3w孔灯超薄桶灯吊顶天花灯过道嵌入式洞灯客厅5w
欧普LED筒灯是一款高品质嵌入式照明产品,适用于客厅、过道、吊顶等多种场景。采用优质LED光源,提供3W和5W两种功率选择,光线柔和均匀,显色指数高,有效还原真实色彩。超...
¥
7.45
水口钳高硬度模型剪钳电子钳工业级口水剪斜嘴钳偏口斜口专用钳子
水口钳高硬度模型剪钳是一款工业级精密工具,专为电子、模型制作及精细作业设计。采用优质高碳钢材质,经热处理工艺打造,具备卓越的硬度和耐磨性,可轻松剪切金属引脚、...
¥
4.8
170电子剪钳II 如意斜口钳 工业斜嘴钳水口钳 模型剪塑胶钳尖嘴钳
170电子剪钳II如意斜口钳是一款专业级精密工具,集工业斜嘴钳、水口钳、模型剪、塑胶钳与尖嘴钳功能于一体,适用于电子维修、模型制作、手工艺及精密作业。其采用优...
¥
4.5
安全帽国标工地加厚施工领导透气安全头盔建筑工程监理免费印字
本款安全帽严格遵循国家GB 2811-2019标准,专为建筑工程、工地施工及监理人员设计。采用高强度ABS工程塑料,加厚壳体有效抗冲击,保障头部安全。帽体轻盈透气,内置可调...
¥
10
扫码手机访问
网站栏目
行业资讯
- 行业资讯
- 技术资讯
- 人物邦
- 产业分析
- 企业动态
学术论文
- 论文
- 技术
百科知识
- LED及OLED
- 生活经验
- 生活维修
- 电工知识
- 电光源
- 材料设备
- 灯具
- 电器附件
照明商城
搜索