电子密码锁电路图的简单设计思路
时间:2022-12-12来源:佚名
|
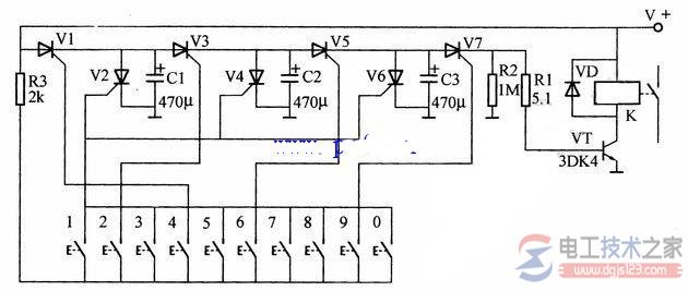
有关电子密码锁电路图的简单设计思路,一种简单电子密码锁电路,其电路由十个数码键、控制电路、驱动电路组成。 电子密码锁电路图一种简单电子密码锁电路,由十个数码键、控制电路、驱动电路组成。
其中V1、V3、V5、V7分别控制密码的第1位~第4位,某一位要设为哪个数字,就把该位的晶闸管控制极接到对应数码键的一端,共用4个数码键作为密码键。 其余数码键一端与另三个晶闸管的控制极接在一起,作为误码键。开锁时,按顺序按下正确的密码键,电压通过使VT导通,驱动继电器K实现开锁。 如果按错一位,则由于V2、V4、V6其中有一个导通,使VT因得不到电压而截止,电路处于锁定状态。图中密码为4269。 |






