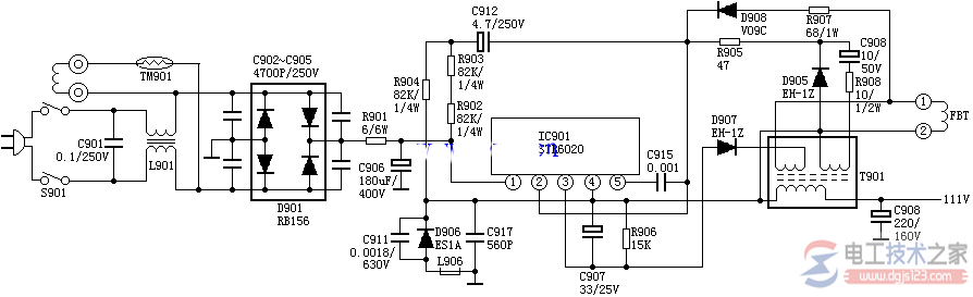
STR6020电源电路原理图与电路组成
|
有关STR6020电源电路原理图与电路组成,STR6020电源电路结构主要包括振荡过程,稳压电路与保护电路三部分,STR6020的稳压电路由内部自动完成,NP82C机芯的保护电路由可控硅Q751构成。 STR6020电源电路原理图
采用STR6020厚膜块的彩电有:日立CAP-161D、CTP-233、CTP-237、CEP-321D、金星C472、金星C515、福日HFC-237、HFC-321等,称之为NP82机芯,它属于热底板机芯。 1、振荡过程 C908上的300V直流电压经R902、R903、C912加到STR6020的(2)脚内部开关管的B极,同时加到STR6020的(1)脚内部开关管的C极,开关管开始导通,在T901的Ⅰ绕组产生感应电压,经T901耦合,在Ⅲ绕组也产生感应电压,极性为右正左负,此正反馈电压经R908、C908、R905加到STR6020的(2)脚,使内部开关管电流进一步增大,强烈的正反馈使开关管迅速饱和。 开关管饱和后,T901Ⅰ绕组中的电流线性增大,电流从STR6020的(4)脚,即开关管的E极流出,在C909上建立111V的直流电压,同时T901储存磁场能量。 此时正反馈绕组对C908不断充电,使STR6020(2)脚的电压不断下降,最后迫使STR6020内部开关管退出饱和状态。 开关管退出饱和状态后,T901Ⅰ绕组中的电流减小,使T901各绕组的感应电压极性全部翻转,此时T901的Ⅲ绕组感应电压的极性为左正右负,此电压又经R908、C908、R905加到STR6020的(2)脚,使内部开关管的电流进一步减小,如此循环使开关管迅速截止。 开关管截止期间,T901Ⅰ绕组中电流不能突变,要继续维持原方向流动,续流二极管D906导通,T901Ⅰ绕组的电流经D906继续给C909充电,磁场能转为C909中的电场能,使C909上111V电压更加平滑,另外T901Ⅱ绕组的感应电压使D907导通,在C907上产生直流电压,给STR6020内部取样稳压电路供电。 在开关管截止期间,Ⅲ绕组的电势也使D905导通,C908上的电压经D905放掉,使STR6020(2)脚电压不断回升,另一方面,行逆程脉冲经R907、D908也送到STR6020的(2)脚,使开关管的截止期提前结束,又进入下一个振荡循环。 2、稳压电路 STR6020的稳压电路由内部自动完成。STR6020设计时输出电压为111V。 3、保护电路 NP82C机芯的保护电路由可控硅Q751构成(图中未画出),它有三路保护:行电流过流保护、显象管阳极过压保护和开关电源输出过压保护,一旦这三个地方有异常,Q751导通,111V被短路,开关电源停振。 |







