RC振荡器二种常见电路
时间:2022-12-12来源:佚名
|
本文介绍了RC振荡器的二种常见电路,它们分别是RC 相移振荡电路、RC 桥式振荡电路,详细介绍了这二种电路的特点、振荡频率等基础知识。 RC 振荡器的选频网络是 RC 电路,它们的振荡频率比较低,常用的电路有两种,一是RC相移振荡电路,二是RC桥式振荡电路。 1、RC 相移振荡电路
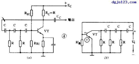
图 4 ( a )是 RC 相移振荡电路。电路中的 3 节 RC 网络同时起到选频和正反馈的作用。从图 4 ( b )的交流等效电路看到:因为是单级共发射极放大电路,晶体管 VT 的输出电压 U o 与输出电压 U i 在相位上是相差 180° 。 当输出电压经过 RC 网络后,变成反馈电压 U f 又送到输入端时,由于 RC 网络只对某个特定频率 f 0 的电压产生 180° 的相移,所以只有频率为 f 0 的信号电压才是正反馈而使电路起振。 可见 RC 网络既是选频网络,又是正反馈电路的一部分。RC 相移振荡电路的特点是:电路简单、经济,但稳定性不高,而且调节不方便。一般都用作固定频率振荡器和要求不太高的场合。 它的振荡频率是:当 3 节 RC 网络的参数相同时: f 0 = 1 2π 6RC 。频率一般为几十千赫。 |








