变频电机工作原理图_无刷直流电机工作原理
时间:2022-12-12来源:佚名
|
有关变频电机的工作原理图,风扇电机电路及变频电机控制电路板,变频电机具有直流电机特性、却采用交流电机的结构,无刷直流电机的工作原理说明。 变频电机的工作原理图下图(a)是拆开的风扇电机的照片,风扇采用的是变频电机,这从线圈所在的位置就可以辨认出来。 下图(b)是变频电机控制电路板,控制芯片将集DSP功能与驱动器于一体,简化了电路结构。 通过对控制芯片编程,可改变电机转速。
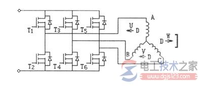
变频电机具有直流电机特性、却采用交流电机的结构。也就是说,虽然外部接入的是直流电,却采用直流-交流变压变频器控制技术,电机本体完全按照交流电机的原理去工作的。 因此,变频电机也叫“自控变频同步电机”,电动机的转速n取决于控制器的所设定的频率f。 下图是三相星形接法的变频电机控制电路,直流供电经MOS管组成的三相变流电路向电机的三个绕组分时供电。 每一时刻,三对绕组中仅有一对绕组中有电流通过,产生一个磁场,接着停止向这对绕组供电,而给相邻的另一对绕组供电,这样定子中的磁场轴线在空间转动了120°,转子受到磁力的作用跟随定子磁场作120°旋转。 将电压依次加在A B-、A C-、B C-、B A-、C A-、C B-上,定子中便形成旋转磁场,于是电机连续转动。 无刷直流电机工作原理
变频电机的驱动电路由主回路和控制回路两部分组成,现在已经将这两部分集成到同一个芯片中,这样只要使用一个器件便可实现变频电机的全部控制功能,简化了电路结构。 |







