【图】变压器反馈LC振荡电路图的读图方法
时间:2022-12-12来源:佚名
|
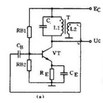
有关变压器反馈LC振荡电路图的读图方法,变压器反馈 LC 振荡电路的原理,变压器反馈 LC 振荡电路的特点,频率范围宽、容易起振,但频率稳定度不高。 变压器反馈LC振荡电路图的读图方法图 (a)是变压器反馈 LC 振荡电路。 晶体管 VT 是共发射极放大器。 变压器 T 的初级是起选频作用的 LC 谐振电路,变压器 T 的次级向放大器输入提供正反馈信号。 接通电源时,LC 回路中出现微弱的瞬变电流,但是只有频率和回路谐振频率 f0 相同的电流才能在回路两端产生较高的电压,这个电压通过变压器初次级 L1、L2 的耦合又送回到晶体管 V 的基极。
从图(b)看到,只要接法没有错误,这个反馈信号电压是和输入信号电压相位相同的,也就是说,它是正反馈。因此电路的振荡迅速加强并最后稳定下来。
变压器反馈 LC 振荡电路的特点是:频率范围宽、容易起振,但频率稳定度不高。它的振荡频率是:f 0 =1/2π LC 。常用于产生几十千赫到几十兆赫的正弦波信号。 |










