【图】单相桥式整流电路的构成与原理
时间:2022-12-12来源:佚名
|
有关单相桥式整流电路的构成与原理,单相半波整流电路利用了电源的半个周期,同时整流电压的脉动较大,全波整流电路可以克服这些缺点,最常用的是单相桥式整流电路。 单相桥式整流电路单相半波整流电路的缺点是只利用了电源的半个周期,同时整流电压的脉动较大。
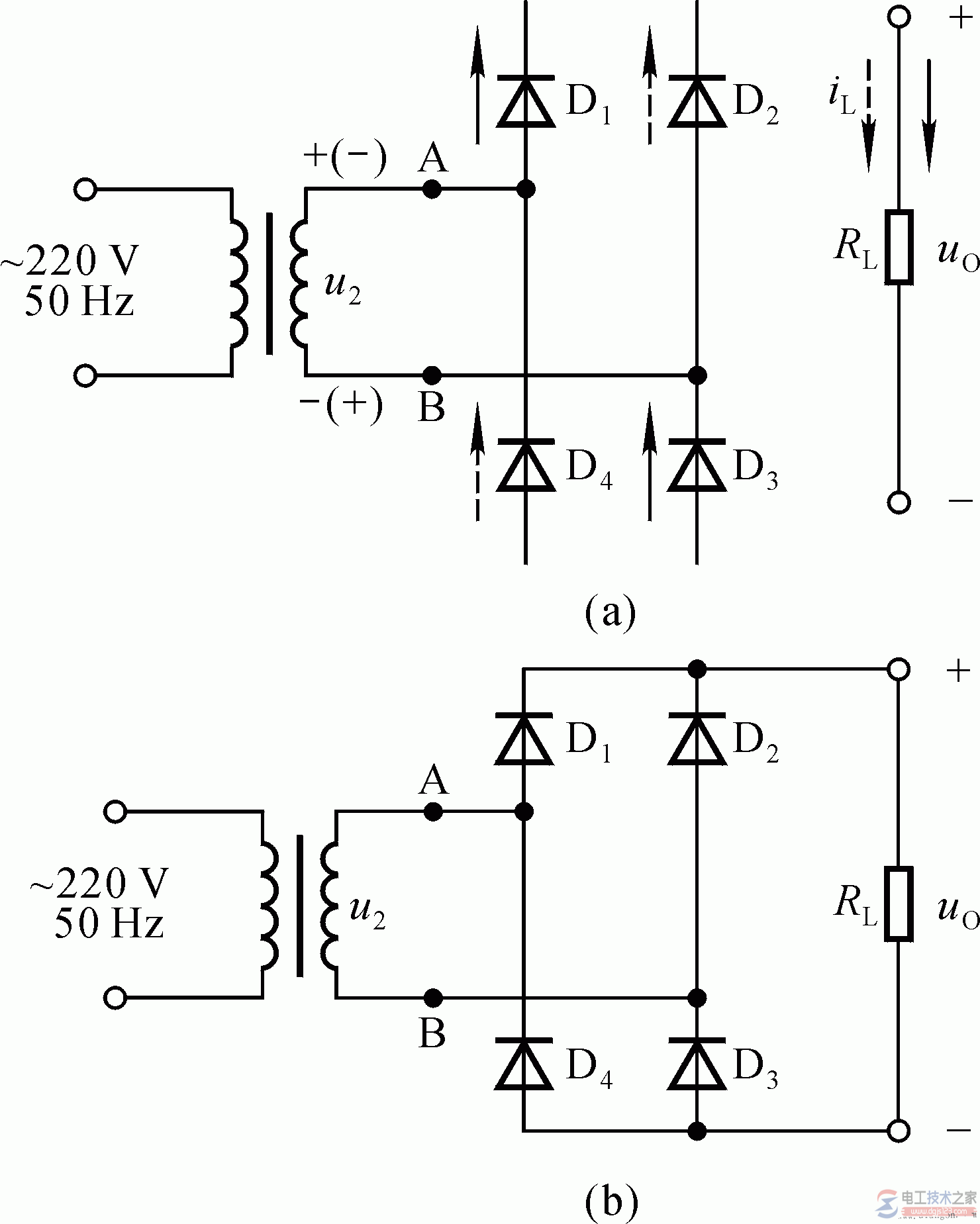
图1,单相桥式整流电路 上图全波整流电路可以克服这些缺点,其中最常用的是单相桥式整流电路(如上图b所示), 它是由四个二极管接成电桥的形式构成的。
图2,单相桥式整流电路 上图(a)所示为单相桥式整流电路中的电流方向,其中实线箭头表示交流电源处于正半周时的情况,虚线箭头则为交流电源处于正半周时的情况。 可见,四个二极管分为两组,正负半周轮流导通,但负载上电流方向不变,此即为全波整流。 上图为单相桥式整流电路的习惯画法。在实际应用中,单相桥式整流电路可以用四个独立的整流二极管实现,也可以用集成器件“桥堆”来实现. 下图为单相桥式整流电路的波形图,根据波形图可知,单相桥式整流电压的平均值为: Uo ≈ 0.9U2(U2为变压器副边输出电压的有效值)。
图3,单相桥式整流电路 |










