555定时器集成芯片的内部结构
时间:2022-12-12来源:佚名
|
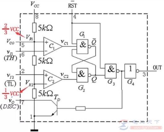
有关555定时器的知识,来看一下555定时器集成芯片的内部结构是什么样的,内部包括两个电压比较器,三个5K等值串联电阻,一个 RS 触发器(由G1和G2构成),一个放电三极管T 及功率输出级。 555定时器集成芯片的内部结构在555定时器集成芯片中提供了二个基准电压VR2(1/3 VCC) 和VR1(2/3 VCC),如下图。
图1:555定时器集成芯片结构 555定时器的功能主要由两个比较器决定。两个比较器的输出电压控制RS 触发器和放电管T的状态。 在电源与地之间加上电压,且当5脚悬空时,则电压比较器 C1 的同相输入端的电压为2/3VCC,C2反相输入端的电压为1/3VCC。如果低触发输入端 TL的电压小于1/3 VCC,那么比较器C2的输出为 0,可以使 RS 触发器置 1,使输出端 OUT=1,即输出高电平。如果高触发端TH的电压大于 2/3 VCC,同时 TR端的电压大于1/3 VCC,那么 C1 的输出为 0,C2 的输出为 1,可以将RS触发器置0,使输出端OUT=0,即输出低电平。 综上所述,在8脚接电源VCC,1脚接地,5脚未外接电压,555时基电路的逻辑功能表如下:
图2:555定时器功能图 只有对以上的555定时器的功能图有彻底了解,才可以灵活运用555集成芯片设计产品。 |







