带延时顺启逆停电气原理图的区别
时间:2022-12-12来源:佚名
|
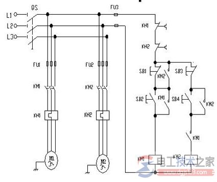
有关带延时顺启逆停电气原理图的区别,此电气原理图一为两个按钮互锁,图二为四个按钮,感兴趣的电工朋友参考下。 带延时顺启逆停的电气原理图此电气原理图一为两个按钮互锁,图二为四个按钮。 如下:
图一为两个按钮互锁,图二为四个按钮。这是根本的区别。 |
|
有关带延时顺启逆停电气原理图的区别,此电气原理图一为两个按钮互锁,图二为四个按钮,感兴趣的电工朋友参考下。 带延时顺启逆停的电气原理图此电气原理图一为两个按钮互锁,图二为四个按钮。 如下:
图一为两个按钮互锁,图二为四个按钮。这是根本的区别。 |






