负反馈的四种基本形式图解
|
有关负反馈的四种基本形式,包括电压并联负反馈、电压串联负反馈、电流并联负反馈、电流串联负反馈等,这四种负反馈类型的功能原理与电路,不了解的朋友参考下。 负反馈的基本形式电压负反馈以串联的形式出现,电流负反馈以并联的形式出现。实际上,电压负反馈也可以以并联的形式出现,电流负反馈也可以以串联的形式出现。 这里主要讨论的电压并联负反馈、电压串联负反馈、电流并联负反馈、电流串联负反馈等四种基本形式。 一、电压并联负反馈
图1所示的电路,集电极-基极偏置电路,当时是从稳定静态工作点的原理来讨论的,图中Rf是基极偏置电阻,为放大电路提供合适的静态工作点。 根据反馈原理, Rf又是一个反馈元件,引进直流负反馈来稳定静态工作点,同时还引进交流负反馈来改善放大电路性能。 下面来判别反馈的类型。 当输出端短路后,输出电压u0消失,反馈信号也消失,因此是电压反馈。用瞬时极性法判别,当输入信号ui瞬时为“+”时,三极管基极和集电极瞬时极性如图所示。可见反馈到输入端为“”,削弱了输入信号ui,因此是负反馈。 由于基极上瞬时极性为“+”,集电极瞬时极性为图 电压并联负反馈“-”,所以反馈元件上电流if的方向是由基极指向集电极。 从输入端看,净输入信号电流ib是由输入信号电流ii和反馈电流if并联合成的,即ib=ii-if。所以是并联负反馈,因此图是电压并联负反馈放大电路。 二、电压串联负反馈
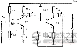
图所示的两级放大电路中,反馈信号由输出电压u0经过反馈元件Rf,送回到第一级三极管的发射极e与“地”之间。当输出端短路时,输出电压为零,反馈信号也消失,因此是电压反馈。再用瞬时极性法判断,假设第一级三极管的基极瞬时极性为“+”时,其余各电极的极性如图所示。可见,反馈到第一级三极管发射极的瞬时极性为“+”。从三极管输入端来看,反馈信号起着削弱输入信号的作用, 图 电压串联负反馈。 即ube1=ui-uf。因此,发射极上的瞬时“+” 极性,相当于向基极反馈?极性电压。所以图是电压串联负反馈放大电路。顺便指出,图中RE1不仅和Rf共同起着电压串联负反馈作用,而且还起着第一级放大电路本身的电流串联负反馈作用,这个概念在后面再作讨论。 三、电流并联负反馈
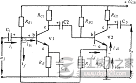
图所示的两级放大电路中,反馈信号取自三极管V2发射极电阻RE2上的电压,而RE2两端的电压又正比于输出电流ic2(因为ie2′是ie2的一部分,而ie2≈ic2),因此它是电流反馈。当然,我们也可用输出端短路后,反馈信号有无消失来判别。用瞬时极性法标出各处信号的瞬时极性后,可知,反馈到输入端的极性与输入信。 号极性相反,因此是负反馈。根据图中标出的电流方向,从输入端可知,输入电流ib1是由原输入电流ii和反馈电流if并联合成的,即ib1=ii-if,并使净输入电流减小,是属于并联负反馈,所以图2-63是电流并联负反馈。 四、电流串联负反馈
图所示的电路,其中偏置电路就是讲过的分压式偏置电路,只是去除了与发射极电阻RE并联的旁路电容器CE。这样, RE不仅通过直流电流,还通过交流电流,它既在输入回路,又在输出回路,输出回路的电流流经RE,并在RE上产生一个与输出电流成正比的电压,即uf=ie·RE≈icRE。 从输入回路来看,这个电压与输入信号ui串联后加到三极管的发射结,因而RE实现了将输出信号的一部分反馈到放大电路的输入端,因此, RE是反馈元件, uf是反馈电压。并且是属于电流反馈。 在输入回路有, ube=ui-uf,即反馈电压uf和原输入电压ui串联合成后,使净输入电压减小,削弱了输入信号,图电流串联负反馈因此是串联负反馈,所以图是电流串联负反馈。 从上面分析可知,对于电压负反馈来说,无论反馈信号以何种方式送回到输入端,都是利用输出电压本身的变化,通过反馈电路自动调整净输入信号大小,从而自动调整输出电压。 因此,电压负反馈的特点是使放大电路的输出电压趋向于维持恒定。 同样,对于电流负反馈来说,都是利用输出电流本身的变化,最终自动调整输出电流。 因此,电流负反馈的特点是,使放大电路的输出电流趋向于维持恒定。 |










