【图】振荡电路中正反馈的电路框图
|
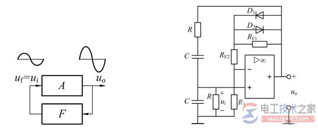
有关振荡电路中正反馈的电路框图,振荡条件:电路要形成正反馈,RC正弦波振荡电路的方框图,文氏桥RC振荡器, RC串并联选频网络的电路图等,一起来看看。 振荡电路中正反馈的电路框图1、自激振荡 在放大电路中,在输入端接入信号,输出端才有信号输出。而在振荡电路中,不用在输入端外加信号,其输出端就有一定频率和幅度的信号输出,这就是电子电路的自激振荡。 1)振荡条件:电路要形成正反馈,应有: a) 相位条件:反馈电路输出Uf与放大电路输入Ui同相,即必须是正反馈; b) 幅度条件:Uf =Ui ,|AF|=1,即有足够的反馈量。 2)振荡建立:起振使必须有|AF|>1,由|AF|>1到|AF|=1是振荡建立的过程,反馈电压和输出电压不断增大,形成良好的正反馈。 3)振荡稳定:利用某些元件的非线性,使电路输出在达到一定幅度后稳定下来,不再增大。 2、RC正弦波振荡电路 正弦波振荡电路一般包括放大、正反馈、选频和稳幅等四个环节。 RC正弦波振荡电路形式简单,使用方便。文氏桥振荡电路是最常见的RC正弦波振荡电路。一般由同相比例运算电路作放大,RC串并联网络作选频和正反馈,非线性元件(如灯泡、二极管、稳压管、热敏电阻器等)作限幅。
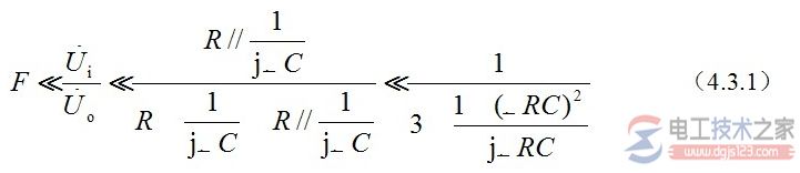
图1 正弦波振荡电路框图 图2 文氏桥RC振荡器 RC串并联选频网络的传输特性为
若要Uf与Ui同相,F应为实数,即上式中分母的虚部为零,故有
而此时F=1/3,同相比例运算电路的增益取3,则AF=1,就满足自激振荡条件。
图3 RC串并联选频网络 振荡电路没有输入信号,那么输出信号怎么产生的呢?电路加电时,工作电压和电流从无到有,在电路中会激起微弱的扰动,其中包含丰富的频率成分,经过选频网络取出f0,送到放大电路的入端,由于该信号很弱,此时系统的总增益|AF|>1,才能使输出不断增大,直到足够的幅度,这就是振荡的建立过程。 如果始终保持|AF|>1,随着输出幅度的继续增大,放大电路将进入饱和区,输出信号产生失真。因此,在输出达到一定幅度后,应使|AF|=1,电路工作于输出信号幅度稳定状态。通常利用某些元件的非线性来实现稳幅。 |











