一例带过载保护的连续与点动混合控制电路详解
时间:2022-12-12来源:佚名
|
分享一例控制电路图,普通自锁电路中实现带过载保护的连续与点动混合控制,其工作过程是什么样的,有哪些可实现的电路图,下面一起来学习下。
图1:带过载保护的自锁电路 如上图,在普通的自锁电路中加装一个热继电器FR。加装后可以实现自锁、欠压、失压保护,以及在电动机长时间运行出现过载电流偏大的情况起到保护作用,可以有效避免电动机损坏。
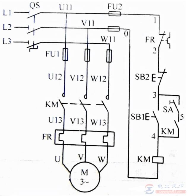
图2:连续点动混合控制电路
|
|
分享一例控制电路图,普通自锁电路中实现带过载保护的连续与点动混合控制,其工作过程是什么样的,有哪些可实现的电路图,下面一起来学习下。
图1:带过载保护的自锁电路 如上图,在普通的自锁电路中加装一个热继电器FR。加装后可以实现自锁、欠压、失压保护,以及在电动机长时间运行出现过载电流偏大的情况起到保护作用,可以有效避免电动机损坏。
图2:连续点动混合控制电路
|





