一例燃气热水器的高压打火确认电路原理图分析
时间:2022-12-12来源:佚名
|
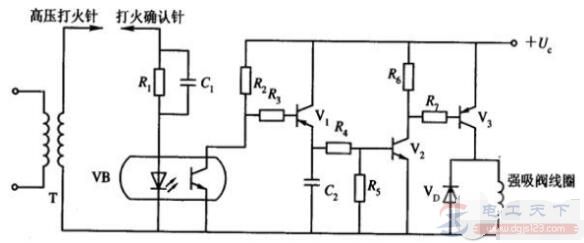
分享一例燃气热水器的打火电路图,在燃气热水器的电路设计中,在电路中有一个功能,即打火确认针产生火花,才可以打开燃气阀门,这里提供一个燃气热水器的高压打火确认电路原理图,供大家参考。 煤气是易燃、易爆气体,对燃气器具中的点火控制器的要求是安全、稳定、可靠。 因此,在燃气热水器的电路设计中,在电路中有一个功能,即打火确认针产生火花,才可以打开燃气阀门,否则燃气阀门关闭,以保证使用燃气器具的安全性。
|










