一例双重连锁可逆控制电路的工作原理
时间:2022-12-12来源:佚名
|
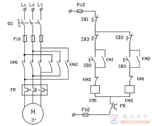
有关电动机控制电路的知识,分享一个双重连锁可逆控制电路,介绍下这种双重连锁控制电路的工作原理,只有了解清楚了原理,才算掌握了双重连锁可逆控制电路,供各位电工朋友参考。
双重连锁可逆控制电路的工作原理: 1、按起动按钮SB2,KM1吸合并自保,电动机正转。与按钮SB2常触开点并联的KM1触点为自保触点。 2、按起动按钮SB3,KM1断电释放,KM2吸合并自保,电动机反转。SB1为停止按钮。电路由按钮SB2、SB3的动断触点实现了机械联锁,串联在交流接触器线圈KM1、KM2中的KM2、KM1辅助动断触点实现了电气联锁。 |










