555集成时基电路的几大特点
|
有关555集成时基电路的几大特点,555集成电路的元器件构成,以及常见两种555单稳电路:人工启动型单稳、脉冲启动型单稳,供初学的朋友参考下。 555集成时基电路的几大特点555 集成电路开始出现时是作定时器应用的,所以叫做 555 定时器或 555 时基电路。但是后来经过开发,它除了作定时延时控制外,还可以用于调光、调温、调压、调速等多种控制以及计量检测等作用;还可以组成脉冲振荡、单稳、双稳 和脉冲调制电路,作为交流信号源以及完成电源变换、频率变换、脉冲调制等用途。 由于它工作可靠、使用方便、价格低廉,因此目前被广泛用于各种小家电中。 555 集成电路内部有几十个元器件,有分压器、比较器、触发器、输出管和放电管等,电路比较复杂,是模拟电路和数字电路的混合体。它的性能和参数要在非线性模拟 集成电路手册中才能查到。 555 集成电路是 8 脚封装,图 1 ( a)是双列直插型封装,按输入输出的排列可画成图 1 ( b)。其中 6 脚称阀值端( TH),是上比较器的输入。 2 脚称触发端(),是下比较器的输入。 3 脚是输出端( V O),它有 0 和 1 两种状态,它的状态是由输入端所加的电平决定的。 7 脚的放电端( DIS),它是内部放电管的输出,它也有悬空和接地两种状态,也是由输入端的状态决定的。 4 脚是复位端( ),加上低电砰(< 0.3 伏)时可使输出成低电平。 5 脚称控制电压端( V C),可以用它改变上下触发电平值。 8 脚是电源, 1 脚为地端。
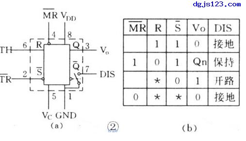
对于初学者来说,可以把 555 电路等效成一个带放电开关的 R - S 触发器,如图 2 ( a)。这个特殊的触发器有两个输入端;阈值端( TH)可看成是置零端 R ,要求高电平;触发端( )可看成是置位端 ,低电平有效。它只有 1 个输出端 V O , V O 可等效成触发器的 Q 端。放电端( DIS)可看成由内部的放电开关控制的一个接点,放电开关由触发器的 Q 端控制: =1 时 DIS 端接地; =0 时 DIS 端悬空。此外这个触发器还有复位端 ,控制电压端 V C ,电源端 V DD 和地端 GND 。
这个特殊的 R - S 触发器有 2 个特点:( 1)两个输入端的触发电平要求一高一低:置零端 R 即阈值端 TH 要求高电平,而置低端 S 即触发端 则要求低电平。( 2)两个输入端的触发电平,也就是使它们翻转的阈值电压值也不同,当 V C 端不接控制电压时,对 TH ( R)端来讲, > 2 /3 V DD 是高电平 1 , <2 /3 V DD 是低电平 0 ;而对 ( ) 端来讲,> 1/ 3 V DD 是高电平 1 ,< 1 /3 V DD 是低电平 0 。如果在控制端( V C)加上控制电压 V C ,这时上触发电平就变成 V C 值,而下触发电平则变成 1 /2 V C 。可见改变控制端的控制电压值可以改变上下触发电平值。 经过简化, 555 电路可以等效成一个触发器,它的功能表见图 2 ( b)。 555 集成电路有双极型和 CMOS 型两种。 CMOS 型的优点是功耗低、电源电压低、输入阻抗高,但输出功率较小,输出驱动电流只有几毫安。双极型的优点是输出功率大,驱动电流达 200 毫安,其它指标则不如 CMOS 型的。 此外还有一种 556 双时基电路, 14 脚封装,内部包含有两个相同的时基电路单元。 555 的应用电路很多,大体上可分为 555 单稳、 555 双稳和 555 无稳三类。 555 单稳电路单稳电路有一个稳态和一个暂稳态。 555 的单稳电路是利用电容的充放电形成暂稳态的,因此它的输入端都带有定时电阻和定时电容,常见的 555 单稳电路有两种。 1、人工启动型单稳 将 555 电路的 6 、 2 端并接起来接在 RC 定时电路上,在定时电容 C T 两端接按钮开关 SB ,就成为人工启动型 555 单稳电路,见图 3 ( a)。用等效触发器替代 555 ,并略去与单稳工作无关的部分后画成等效图 3 ( b)。 工作状态:
① 稳态:接上电源后,电容 C T 很快充到 V DD ,从图 3 ( b)看到,触发器输入 R=1 , =1 ,从功能表查到输出 V o =0 ,这是它的稳态。 ② 暂稳态:按下开关 SB , C T 上电荷很快放到零,相当于触发器输入 R=0 , =0 ,输出立即翻转成 V o =1 ,暂稳态开始。开关放开后,电源又向 C T 充电,经时间 t d 后, C T 上电压升到 > 2 /3 V DD 时,输出又翻转成 V =0 ,暂稳态结束。 t d 就是单稳电路的定时时间或延时时间,它和定时电阻 R T 和定时电容 C T 的值有关; t d=1.1R T C T 。 2、脉冲启动型单稳 把 555 电路的 6 、 7 端并接起来接到定时电容 C T 上,用 2 端作输入就成为脉冲启动型单稳电路,见图 4 ( a)。电路的 2 端平时接高电平,当输入接低电平或输入负脉冲时才启动电路。用等效触发器替代 555 电路后可画成图 4 ( b)。这个电路利用放电端使定时电容能快速放电。 工作状态:
① 稳态:通电后, R=1 , =1 ,输出 V o =0 , DIS 端接地, C T 上电压为 0 即 R=0 ,输出仍保持 V o =0 ,这是它的稳态。 ② 暂稳态:输入负脉冲后,输入 =0 ,输出翻转成 V o =1 , DIS 端开路,电源通过 R T 向 C T 充电,暂稳态开始。经过 t d 后, C T 上电压升到> 2 /3 V DD ,这时负脉冲已经消失,输入又成为 R=1 , =1 ,输出又翻转成 V o =0 ,暂稳态结束。这时内部放电开关接通, DIS 端接地, C T 上电荷很快放到零,为下一次定时控制作准备。电路的定时时间 t d =1.1R T C T 。 这两种单稳电路常用作定时延时控制。 |










