气动薄膜调节阀的选型及安装调节阀须注意
|
随着我国有色行业的迅猛发展,气动薄膜调节阀由于结构简单、操作方便、使用可靠、防火防爆等特点,广泛应用于氧化铝的生产过程。而作为自动调节系统的重要一环,它的工作状态的好坏将直接影响自动控制过程,本文以自己的工作实践为基础,详细叙述气动薄膜调节阀的工作原理、选型过程、安装及维修。
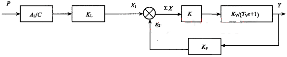
气动薄膜调节阀 气动薄膜调节阀主要结构和工作原理气动执行器由执行机构和调节机构组成。气动执行机构包括:气动薄膜、气动活塞、气动长行程三种执行机构、调节机构为:阀、闸板、调节阀等,有直、角行程 2 种。 工作原理:当 0.2~1kg/cm2 时的信号压力输人薄膜气室中,产生推力使推杆部件移动、弹簧被压缩产生的反作用力与信号压力在薄膜上产生的推力相平衡。推杆的移动即是气动薄膜执行机构的行程。正作用式:当薄膜气室的信号压力为零时,推杆部件位于下方,当薄膜气室内输人信号压力时,使推杆部件向下移动;反作用式:当薄膜气室的信号压力为零时,推杆部件位于上方,当薄膜气室内输人信号压力时,使推杆部件向上移动。 气动薄膜调节阀流特性和选型原则流量特性是指阀位开度和流量大小的关系,直接影响调节质量和系统的稳定性,与被调参数和设备对象,工艺流程有关。 1、理想流量特性调节阀两端压差不变时相对流量与相对开度(行程)的关系:Q/Qmax=f×l/L式中,Q 为某一开度时,调节阀的流量及阀杆行程;f 为阀芯系数;Qmax、L 为调节阀全开时的zui大流量及阀杆全行程。理想流量特性取决于阀芯的尺寸,不同的阀芯曲面得到不同的理想流量特性。 2、工作流量特性分析调节阀前后端压差变化情况下得到的流量特性。分为直线特性、对数特点、抛物线特性等。抛物线特性介于直线和对数之间。经计算、分析,直线特性调节阀工作在小开度时调节性强,相对流量变化率过于激烈,不易控制,小干扰大克服容易过头,引起系统振荡,而在大开度时,相对变化率下,调节性能弱,太迟钝,大的干扰不能很快克服;对数特性是指单位开度变化所引起的相对流量变化值与此点相对流量成正比.经计算、分析,对数阀在小开度时放大倍数小,缓和平衡,利于操作控制,而在大开度时放大倍数大,工作能灵敏有效,是zui常用的阀门。 3、 流量特性选择规则工业生产中常用的调节阀如直线、对数、快开特性,一般选取直线、对数特性即可满足工艺调节要求,快开特性适应于二位调节,对于比较难控制和要求较严的对象,从以下几个方面考虑: a、用调节阀的非线性去补偿过程的非线性,使系统总的增益变化较小,稳定; b、工艺管道情况,考虑工艺管道阻力情况; c、适应系统的负荷波动; d、考虑调节阀的工作条件和使用寿命; e、调节阀工作特性改善。 3 流量能力 C 值的计算方法和调节阀口径的确定 C 值的定义:我国规定在调节阀前后压差为 1kPa、液体重度为 1kPa3 的情况下,以每小时通过调节阀门的流体 m3数值,表示流通能力 C 值的大小(以氧化铝料浆为例。) 调节阀压差:S=ΔP/(∑ΔPF ΔP) 式中,ΔP 为调节阀差压;∑ΔPF 为zui大流量时管路阻力降。 C=Q(r/ΔP)1/2=G/(ΔP * r)1/2 式中,Q、G 为工艺所提供的体积或重量流量;ΔP 为阀门前后压差;r 为重度。 C 值的选取和公称通径 Dg 及阀座直径 dg 的确定,由工艺提供的zui大流量和对应的zui小压差。计算出 Cmax,便可选取合适的阀。 4 气动薄膜调节阀应用实例 沉降工段负责将高压溶出的料浆通过洗涤、沉降槽的作用下,将赤泥沉淀、分离出来。在料浆输送过程中,需要大量的气动调节阀来调节流量。根据现场的工艺环境或计算,气动阀采用了美国 FISHER-ROSEMOUNT 公司生产的气动调节阀,由阀门定位器和调节阀组成。阀门定位器采用了位移式气动阀门定位器,其负反馈闭环系统。见图 1。
图 1 沉降料浆闭环系统
图中 A 为波纹管的有效面积;C 为测量组件的刚度;K 为三级功率放大器的放大倍数;KL 为输人信号传动杠杆比;KF 为反馈信号传动杠杆比;KV/(TVs 1) 是气动调节阀的传递函数,是一个一阶周期环节,KV 为调节的放大系数,与执行机构的薄膜有效面积和弹簧刚度及调节的结构等因素有关;TV 为调节阀的时间常数,也与气室大小等因素有关。 上述负反馈系统中,阀杆输出位移 Y 与输人的调节器压力领信号 P 之间的传递函数: W(s)=Y/P≈AEKL/CKF AE、KL、C、KF 一定时,Y 与 P 之间成一一对应的比例关系。也就是说,通过电一气阀门定位器的电气转换,定位器接受来自调节器或控制系统的电流信号(4~20mA),这个信号改变执行机构气室的压力 P,使阀门的位置达到给定值 Y,从而达到调节的目的。 4.1 调节阀反向动作和流量特性在应用过程中,由于生产需要将一台气关式调节阀改成气开式调节器,在以前就需将阀芯反装,或采用反作用式执行机构。在现场改装比较麻烦,而且需有一定的备品才行。采用阀门定位器后,正作用定位器的输人信号从 20~100kPa 变化时,它的输出信号从 20~100kPa 变为 100~20kPa 即可。具体结构中,用到一个凸轮和两个喷嘴。左喷嘴用以实现正作用,右喷嘴实现反作用。左、右喷嘴与放大器的气路用背压切换板来沟通。调节阀的流量特性可以通过改变反馈凸轮的几何形状来改变。改变反馈凸轮的几何形状能够改变调节阀的反馈量,使定位器的输出特性发生变化,从而修正了流量特性。 4.2 手动机构的配置当气源信号或电信号出现故障时,或者当执行机构的主要元件(膜片、弹黄等)损坏时,就需把自动操作改为手动操作,需转动手轮维持调节阀的调节功能;另一方面,这种机构也可作为调节阀行程的限位器,当信号压力为零时,调节阀不是全开就是全关,如果工艺过程要求调节阀有少量的流量,可利用手轮来达到目的。手轮机构有顶装式和侧装式,顶装式只能为单方向限制行程,如果在选型或安装时,选用侧装式可以根据工艺的要求安在左或右侧实现限位。总之,手动机构可提高调节阀运行的可靠性,特别是调节阀台增设旁路,使用口径较大的调节阀时,使用手轮机构从投资费用或占地面积都很合算。所以自动操作完成正常和执行机构无故障时,由于不使用手动机构,为此经常要加油防锈。 气动薄膜调节阀安装调节阀须注意(1)气动调节阀应安装在便于维护、修理的地方。 (2)当选定调节阀的公称通径与工艺管径不同时应加装异接头进行连接。 (3)安装在有振源的场合,应增加防振措施。 (4)安装时,必须使阀体上或法兰上的箭头方向指向介质方向。 (5)安装前,需要认真清洗管道内焊渣和其它杂物,在安装后,应将阀芯处于zui大开度,并对管道和阀再一次清洗,以防杂物卡住和损伤节流件。 气动薄膜调节阀的正确选型、安装、使用、维修,不仅能够提高过程控制的可靠性,而且能够快速解决阀的故障,增加阀的使用寿命对企业的节能降耗有着可观的经济效益。 |







