稳压变压器,什么是稳压变压器、磁饱和稳压器
|
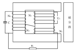
稳压变压器是利用铁磁谐振原理及磁分路结构制成的一种交流稳压器,一般在应用中,人们认为稳压变压器是由电磁稳压器演变而来的,其使用反围较大,越来越受到人们的欢迎。 稳压变压器是这样一个变压器,如图所示,它由铁心,初级绕组,次级绕组,磁分路,谐振电容器,补偿绕组组成。初级绕组放在铁心的非饱和处,次级绕组放在铁心的磁饱和处,当初级输入电压升高或降低时,在铁心中增减的磁通经磁分路自成回路,而次级绕组所处的铁心始终保持磁饱和状态,所以不会再增加和减少磁通。因此,次级绕组的感应电动势不会因电网电压的变化而变化。下面具体分析一下空载和有负载时的工作情况。
(1)空载 空载时,假设初级电压为U1,电流为I1,圈数为N1,则磁通为I1N1,由于漏磁通回路有空气间隙,而空气磁阻较大,所以大部分磁通通过次级线圈闭合,漏磁很少。 因为E=4.44fNm,所以V1+E1+E漏=0。 (2)负载 有负载时,次级有电流I2流过,次级匝数为N2,次级磁通势为I2N2。变压器铁心磁通,初级次级共同产生,次级磁通也可分为一部分,一部分与初级匝连成主磁通,另一部分通过漏磁铁心只与次级匝连或为漏磁阻,次级所产生的主磁通和初级相反。在一般变压器中,次级产生的反相磁通,初级电流会就此增加以抵消次级磁通,使主磁通基本保持不变。 而在稳压变压器中,由于有磁分路的存在,有同样的次级电流时,产生同样的漏磁通,但一部分成为漏磁通,有一部分去抵消初级线圈中的主磁通,由于抵消部分较少,所以初级电流增加很少,真正用于建立次级主磁通也就减少了。另外,由于谐振线圈的存在,所产生的电流形成磁通与主磁通同相,使次级工作在深饱和状态,而初级工作在非饱和状态,形成一个基本稳定的交变磁场磁路。再加上补偿线圈Nk与次级线圈串联(反极性),这样就确保了当输入电压在一定范围内变化时,次级输出电压基本不变时,从而实现输出电压的稳定性。 稳压变压器的结构 稳压变压器结构一般采用WCD型、WED型和WEI型。WCD型稳压变压器一般适用于输出功率在100W以下;WED型稳压变压器一般适用于输出功率在1000W以下;WEI型稳压变压器一般适用于输出功率1000W以上。 稳压变压器的制作要点 由于稳压变压器工作在磁饱和状态,铁心容易产生振动而产生噪声,尤其是磁分路片在铁心中,更容易产生噪音。因此在制造时,为了降低噪声,首先应将磁分路预先胶合牢,再固定在铁心中,尤其是WCD型铁心,为了保持窗口一致性,加工磁分路时必须比窗口尺寸略小0.2mm~0.3mm,每付磁分路应事先配好,不能互换。在装配和校验稳压变压器时,当各项指标达到标准时,还必须使两个线包将磁分路压紧,如有间隙,应垫入绝缘片,防止振动。 另外,变压器浸渍应采取真空浸渍,为了更好地防止振动,最好进行一次浸渍。如果变压器在装配校验中噪声很大,那么,光靠浸渍来解决噪声是无济于事的。必须重新安装,检验,直至噪声降低为止。 前面谈到稳压变压器是工作在饱和区的,对外泄漏磁场十分严重,因此固定铁心的夹子件和底座都处在强交变磁场中,这些金属件在变换磁场中同样产生磁滞和涡流损耗而发烫,所以一些紧固件必须采用铝制和不锈钢材料,防止磁化。同样,设计电机箱时,最好采用铝材,其同部应有足够的空间,以防止杂散磁场对电机箱吸引而共振,也可增加对流,随风散热。 稳压变压器的使用 使用稳压变压器与使用电磁稳压器一样,应选用与用电设备的各项技术数据相符合,特别要注意负载功率应低于电源的输出功率。稳压变压器的输入电压一般在176~264V之间,输出电压稳定度应小于±1%,负载调整率小于±3%,波形失真度小于5~10%,而且能连续工作,温升不得超过50~60℃,稳压变压器的特点是它不仅可以输出稳定电压,而且可以变压,既有过载保护特点和抗干扰特性,在某些高精度场合时,可以用作预稳压电源。 稳压变压器在使用时相当方便,只需将电源线通上电源,次级则有稳定的交流电压输出,但接负载时,应注意按上面要求的功率匹配原则,不要认为它有过载保护的优点就忽视了这一点,而且当稳压器长期工作时,应有散热措施。 |








