稳压二极管电路实例1:电弧抑制电路
时间:2023-01-09来源:佚名
|
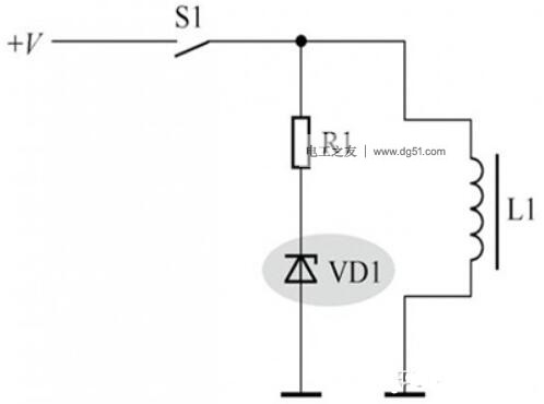
如下图是稳压二极管构成的电弧抑制电路,这种电路多用于一些功率较大的电磁吸铁控制电路中。在该电路中,VD1是稳压二极管,L1是电感,R1是限流保护电阻,S1是电源开关。
图1:电弧抑制电路 电路工作原理: 在电源开关S1从接通转为断开时,电感L1两端产生的反向电动势为上正下负,反向电动势很大,通过R1加到了稳压二极管VD1两端,使其导通,将反向电动势能量释放,D71071D 使开关S1上不会产生很大的电动势,不能产生电弧,达到消弧目的。 电源开关S1正常接通时, V通过Rl加到VD1上的电压不够大,不足以使VD1导通。所以, VD1处于截止状态,不会影响电路的正常工作。 |









