二种常见的RC振荡器电路
|
有关RC振荡器的二种常见电路,分别是RC 相移振荡电路、RC 桥式振荡电路,介绍了这二种电路的特点、振荡频率等知识,有需要的朋友参考下。 RC振荡器电路RC 振荡器的选频网络是 RC 电路,振荡频率比较低,常用的电路有二种,一是RC相移振荡电路,二是RC桥式振荡电路。 1、RC 相移振荡电路
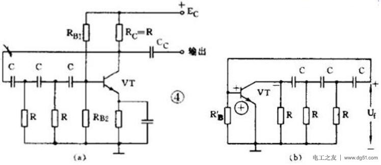
图 4 ( a )是 RC 相移振荡电路。电路中的 3 节 RC 网络同时起到选频和正反馈的作用。从图 4 ( b )的交流等效电路看到:因为是单级共发射极放大电路,晶体管 VT 的输出电压 U o 与输出电压 U i 在相位上是相差 180° 。 当输出电压经过 RC 网络后,变成反馈电压 U f 又送到输入端时,由于 RC 网络只对某个特定频率 f 0 的电压产生 180° 的相移,所以只有频率为 f 0 的信号电压才是正反馈而使电路起振。 可见 RC 网络既是选频网络,又是正反馈电路的一部分。RC 相移振荡电路的特点是:电路简单、经济,但稳定性不高,而且调节不方便。一般都用作固定频率振荡器和要求不太高的场合。 它的振荡频率是:当 3 节 RC 网络的参数相同时: f 0 = 1 2π 6RC 。频率一般为几十千赫。 2、RC 桥式振荡电路
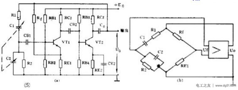
图 5 ( a )是一种常见的 RC 桥式振荡电路,图中左侧的 R1C1 和 R2C2 串并联电路就是它的选频网络。这个选频网络又是正反馈电路的一部分,对某个特定频率为 f 0 的信号电压没有相移(相移为 0° ),其它频率的电压都有大小不等的相移。 由于放大器有 2 级,从 V2 输出端取出的反馈电压 U f 是和放大器输入电压同相的( 2 级相移 360°=0° )。因此,反馈电压经选频网络送回到 VT1 的输入端时,只有某个特定频率为 f 0 的电压才能满足相位平衡条件而起振。可见 RC 串并联电路同时起到了选频和正反馈的作用。 实际上为了提高振荡器的工作质量,电路中还加有由 R t 和 R E1 组成的串联电压负反馈电路。其中 R t 是一个有负温度系数的热敏电阻,它对电路能起到稳定振荡幅度和减小非线性失真的作用。 从图 5 ( b )的等效电路看到,这个振荡电路是一个桥形电路。 R1C1 、 R2C2 、 R t 和 R E1 分别是电桥的 4 个臂,放大器的输入和输出分别接在电桥的两个对角线上,所以被称为 RC 桥式振荡电路。 RC 桥式振荡电路的性能比 RC 相移振荡电路好,它的稳定性高、非线性失真小,频率调节方便。它的振荡频率是:当 R1=R2=R 、 C1=C2=C 时 f 0 = 1 2πRC 。它的频率范围从1 赫~1兆赫。 |











