电动机控制实例之点动控制图
时间:2023-01-09来源:佚名
|
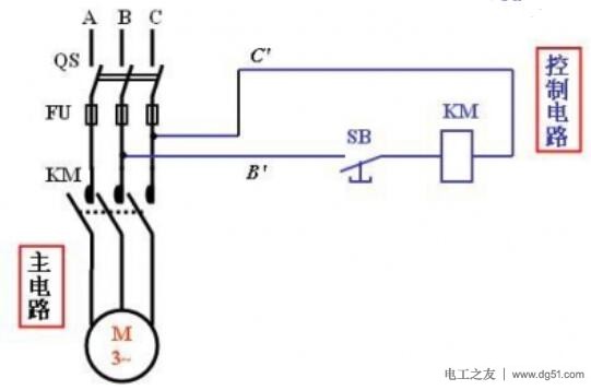
在电动机控制中点动控制的基础知识,熟悉下点动控制的基本控制过程,有需要的朋友参考下。 电动机控制点动控制图,如下图:
控制过程: 按下按钮(SB)→线圈(KM)通电→触头(KM)闭合→电机转动; 按钮松开(SB)→线圈(KM)断电→触头(KM)打开→电机停转。 实物图片参照版基础知识,部分截图对照:
|
|
在电动机控制中点动控制的基础知识,熟悉下点动控制的基本控制过程,有需要的朋友参考下。 电动机控制点动控制图,如下图:
控制过程: 按下按钮(SB)→线圈(KM)通电→触头(KM)闭合→电机转动; 按钮松开(SB)→线圈(KM)断电→触头(KM)打开→电机停转。 实物图片参照版基础知识,部分截图对照:
|






