一例过零检测电路的电路图
时间:2023-01-11来源:佚名
|
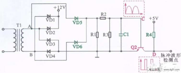
过零检测电路是用于控制室内风扇电机风速和检测供电电压异常的电路,通过电源变压器和过零检测电路形成与交流50Hz同步的脉冲信号,并利用该脉冲信号触发双向可控硅,实现对风扇电机的速度控制。 微处理器还能控制过零脉冲管的相位,控制双向晶闸管的触发角。由于双向晶闸管串联在风扇电机的回路中,当微处理器检测不到过零信号时,将使室内风扇电机工作不正常,出现整机不工作的现象,其电路图如下所示。
工作原理: 接通电源,使空调器工作,经变压器降压后,变成约14V左右的电压,经过二极管VD5和VD6全波整流,形成脉动直流波形,经电阻分压之后,再经过电容C1滤波,滤去高频成分,形成C点电压波形;当C点电压大于0.7 V时,三极管Q2导通,在三极管集电极形成低电平;当C点电压低于0.7 V时,三极管截止,三极管集电极通过上拉电阻R4形成高电平。 |






