水池水泵自动抽水控制电路,简单实用,电工电子实践,不要错过!
时间:2023-03-04来源:佚名
|
水池水箱在生产生活中经常用到,要实现缺水时自动抽水,水抽满时自动停止的功能。本文将为你讲解,简单实用。供电工电子爱好者参考学习。 一:低水位自动抽水,高水位自动停止
当水位处于低水位时: 低水位浮球开关触点闭合,水泵开始抽水工作。 当水位到达高水位时: 高水位浮球开关触点断开。水泵停止抽水,防止水满溢出,浪费宝贵的水资源。 SB1:手动停止水泵抽水。 SB2:手动启动水泵抽水。 RF:水泵电机过温保护,当电机温度过高时,RF温度开关触点断开,电机停止工作。 保护电机不被损坏。 二:高水位自动抽水,低水位自动停止
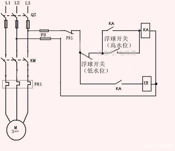
跟上面的控制功能刚好相反。 当水位处于低水位时: 尽管低水位浮球开关触点已经闭合,但是高水位浮球开关触点仍然处于断开状态,此时继电器KA没有工作,交流接触器KM不能吸合,水泵电机不会运行。 当水位达到高水位时: 高水位浮球开关触点闭合导通,继电器KA通电吸合并自锁。此时交流接触器KM通电吸合,水泵开始抽水工作。 当水位下降到低水位时: 低水位浮球开关触点断开,继电器KA缺电释放,交流接触器缺电释放断开,水泵停止工作。 水泵自动完成在高水位抽水,低水位停止工作。 三:水池水位布置
水池水箱水位浮球开关布置参照示意图。 |











