电动机正反转电路讲解,交流接触器自锁、互锁、联锁控制功能剖析
|
有次在电工交流群,有个朋友发了一张电路图,问从电路图上哪里可以看出两个电机进行了互锁。这位朋友可能画得出电路图,但是不明白什么是互锁。 又可能是缺乏实际工作经验,其实要搞清楚什么是自锁,什么是互锁,还是容易理解和掌握的。 一:自锁 大家都知道,一般电机的按钮不像普通的开关。比如说,启动按钮,它是按下松手后,按钮又复原样,断开了。那么电路又是怎么实现通路的呢?
这是最基本最简单的电动机启动电路图,这里的KM,代表交流接触器。 当按下SB2,线路接通,KM得电吸合,电动机运行。 当松开SB2,按钮SB2断开,由于这时候KM常开触头闭合,所以,电流由SB1经过KM常开触头到达KM线圈,接触器继续保持吸合状态。 当按下SB1时,KM断电,常开触头断开,电动机断电停止。这里的KM就属于通过自己的常开触头实现自锁。 二:互锁
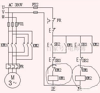
这是一个电动机正反转的电路图,这里的KM2常闭触头和KM1线圈串联,KM1常闭触头和KM2线圈串联,这就使KM1和KM2不能同时闭合。 这就是KM1和KM2互锁,互锁可以防止KM1,KM2同时闭合造成短路。 图中的KM1常开和线圈KM1,KM2常开和线圈KM2属于自锁。 识图技巧: 当我们看电路图时,首先看主电路,然后看控制回路。 看控制回路,先看线圈,然后看线圈上串联了哪些元件。 三:联锁
图a)的功能:启动电机M1后才能启动电机M2,同时停车。 电路关键:将KM1的常开触点串接在KM2的控制回路中。 图b)的功能:启动电机M1后才能启动电机M2,可同时停车,但不允许M1单独停车。 电路关键:将KM1的辅助常开触点串接在M2的控制线路中。 图c)的功能:电机M1先启动,电机M2后启动,M2先停,M1后停。 电路关键:把KM2的辅助常开触点并接在KM1的停止按钮两端。 图d)的功能:两电动机不准同时工作,各自都可以实现启动、停止。 电路关键:用各自的辅助常闭触点交叉串接在对方的控制线路中。 以上是电路的自锁,互锁,联锁功能讲解,我们学习看电路图时,应该先看简单的图,熟练之后就可以看复杂的图了。 不管是多复杂的图,都是由最简单的基本电路组成的。 只要有耐心,细心,再复杂的电路图我们也能够看懂。 |










