什么情况下用中间继电器控制交流接触器
时间:2023-03-04来源:佚名
|
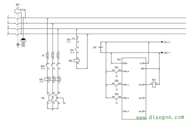
以我们单位车间中的plc控制电路为例,由于车间电气控制柜中的PLC使用的是S7-1200型的西门子小型控制器,它的CPU具体型号是1214DC/DC/DC,也就是说它的端子输出类型是直流24V的继电器输出方式,由于每台PLC除了控制电磁阀外,它还要控制一台上千瓦的三相异步电动机,对于PLC来说是无法控制线圈是220V交流接触器的,因此需要一些低电压的中间继电器KA,由PLC先控制24V的中间继电器,然后再通过中间继电器的触点去控制交流接触器的线圈,从而达到控制380V电机的目的,这是一种用中间继电器去控制交流接触器的一种方法,比如下面的PLC控制电路中就是通过中间继电器来控制交流接触器的。
还有一种用中间继电器的地方就是在电路拖动控制线路中,由于控制电路中逻辑控制的需要许多触点,而电路中使用的交流接触器辅助触点有限,在控制线路中辅助触点数量不够的情况下,我们使用中间继电器才能达到整个控制电路的目的,这时我们就可以用中间继电器来增加控制线路中的控制触点的数量,通过输入信号来控制中间继电器线圈的通电与断电,然后再利用中间继电器触头数量多的优点,来达到较多逻辑触点控制的目的。例如下面的就是利用中间继电器控制的补偿器降压启动控制线路,当全压控制运行的时候,不需要交流接触器KM1和KM2的参与了,同时有需要触点之间的互锁,这样的话我们就可以使用中间继电器来代替交流接触器了。
我们知道一般继电器的触点比较多,可以达到8常开、6常开以及4常开和4常闭等组合,中间继电器线圈的电压也有好几种,比如12v、36v、110V、220V、380V等。我认为在电路中只用交流接触器是可以的,关键的问题是有时候为了安全起见,控制电压需要降低一个等级使用的时候,比如中间继电器触头多并且没有主辅之分,触头通过的电流一般在5A。或者控制电路中的辅助触点不够的情况下,我们往往会想到使用中间继电器的。 |








