一件误接错线引发对漏电保护器动作事件的思考
时间:2023-03-04来源:佚名
|
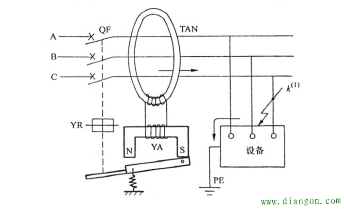
某日发生一件这样的事情引发了对漏电保护器的思考,事情经过为:电气柜是两面开柜门,每个柜门里面都是配电间,一人从电气柜中电源开关引一路单相电源,即一根火线和一根零线,给某一单相设备供电。电气柜两面都有电源开关,电源开关为3P N带漏电保护功能的断路器如下图所示。但是,此人是这样引线的,从一个电源开关中接了一根火线,在另一个电源开关中接了一根零线。然后将其余电线接完。接完线,检查无误后,进行通电试车,出现了这样的想象。设备刚启动,带漏电保护功能的断路器进行了跳闸,同时漏电按钮凸出。那么这由于什么原因导致的呢?难道是因为设备或者线路发生了漏电现象吗? 针对上面的现象,对其进行分析,为什么会引起漏电保护器跳闸呢?要分析漏电保护器跳闸的原因,首先要知道漏电保护器的工作原理,漏电保护器的工作原理的工作示意图如下图所示,设备正常运行时,穿过零序电流互感器TAN的三相电流相量和为零,TAN二次侧不产生感应电动势,因此极化电磁铁YA的线圈中没有电流通过,其衔铁靠永久磁铁的磁力保持在吸合位置,使开关维持在合闸状态。
当设备发生漏电或单相接地故障时,就有零序电流穿过TAN的铁心,使其二次侧感生电动势,电磁铁YA的线圈中有交流电流通过,使电磁铁YA的铁心中产生交变磁通,与原有的永久磁通叠加,产生去磁作用,使其电磁吸力减小,衔铁被弹簧拉开,使自由脱扣机构YR动作,开关跳闸,断开故障电路。通过漏电保护器的工作原理可知,为什么从两个漏电保护开关,一个接一根火线,一个接一根零线,从而导致漏电保护开关的跳闸原因了。对于一个漏电保护器来说流入电流与流出电流之差大于其动作值从而导致漏电保护器动作跳闸。此时一根火线和一根零线接到了不同的漏电保护器上,从而漏电保护器以为是发生了漏电从而动作,但是不是因为设备或线路漏电导致漏电保护器跳闸,而是因为接线方式是错误了,需要注意。
通过上述分析可知,漏电保护器跳闸可能不是因为设备或者线路发生了漏电,还能是因为接线错误导致的,尤其对于刚接完线的线路来说。对于漏电保护器应用领域较多,与人身安全息息相关,正确进行漏电保护器接线是非常重要,接线时不要粗心大意。 |










