汽车交流发电机的工作原理
|
1.交流电动势的产生 交流发电机工作原理如图1-15。
图1-15 交流发电机的工作原理 交流发电机定子的三相绕组按一定的规律嵌套在发电机的定子槽内,彼此互差120°电角度。当转子磁场绕组接通直流电源时,转子的爪极被磁化为N极和S极。其磁力线由N极出发,穿过转子与定子之间很小的气隙进入定子铁心,最后又通过气隙回到S极。
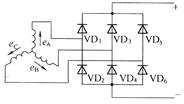
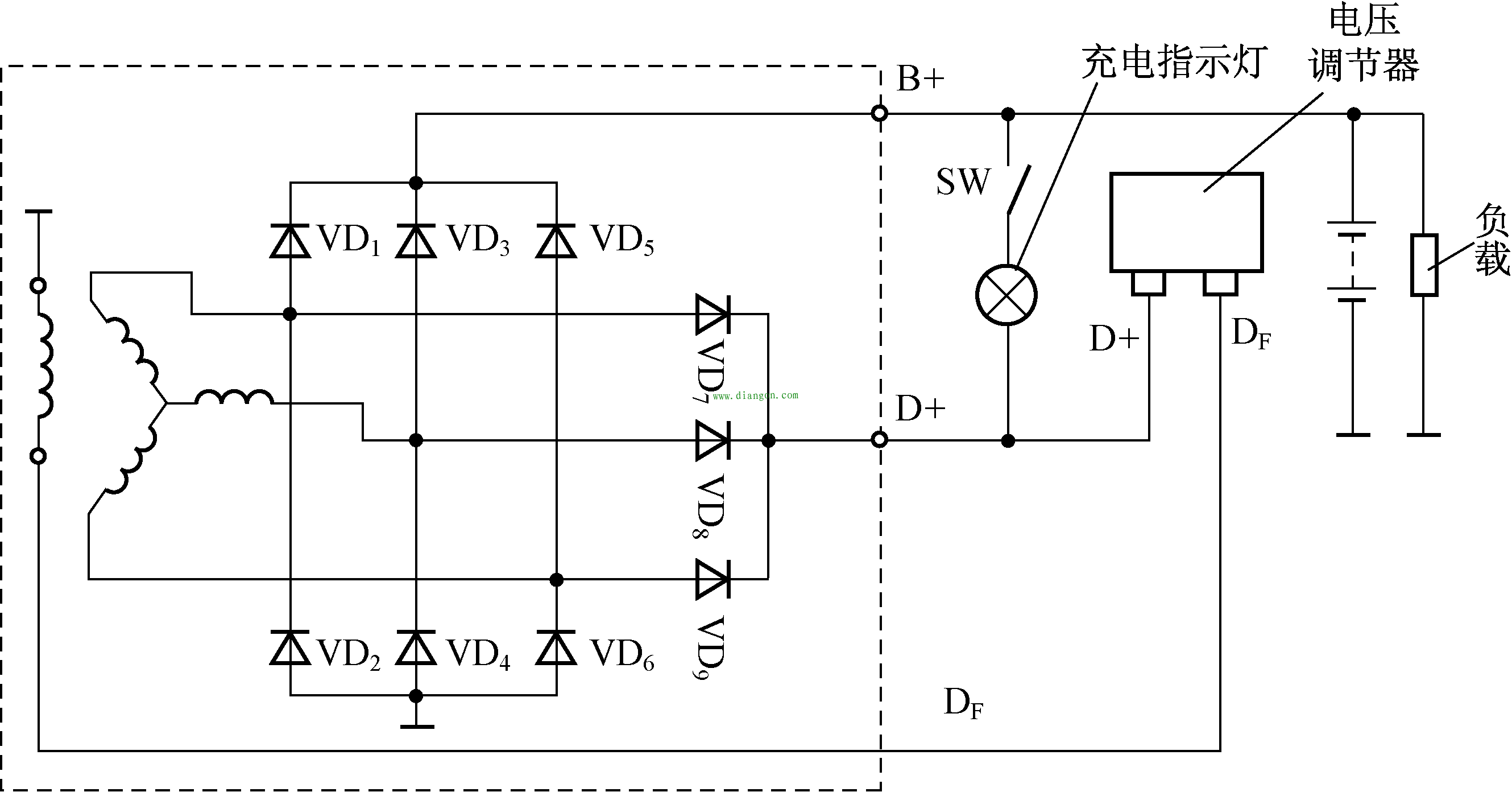
a) b) c) 图1-16 三相桥式整流电路中的电压、电流波形 a)三相桥式整流电路;b) 三相交流电动势;c) 整流后交流发电机输出波形 2.整流电路工作原理 将交流发电机产生的交流电转变成直流电称为整流。常见的整流电路有六管交流发电机的整流电路和九管交流发电机的整流电路。 1)六管交流发电机的整流电路 六管交流发电机的整流装置实际是一个由6个硅整流二极管组成的三相桥式整流电路,见图1-16a)。3个二极管VD2、VD4、VD6的负极分别与发电机三相绕组的始端相连,它们的正极连接在一起,组成共阳极组接法,3个二极管的导通原则是在某一瞬间负极电位最低的二极管导通。3个二极管VD1、VD3、VD5的正极分别与发电机三相绕组的始端相连,它们的负极连接在一起,组成共阴极组接法,3个二极管的导通原则是在某一瞬间正极电位最高的二极管优先导通。每个时刻有2个二极管同时导通,其中一个二极管在共阴极组,另一个在共阳极组,同时导通的两个管子总是将发电机的电压加在负荷两端,如图1-16c)所示。 当t=0时,C相电位最高,而B相电位最低,所对应的二极管VD5、VD4均处于正向导通。由于二极管的内阻很小,所以此时发电机的输出电压等于B、C绕组之间的线电压。 在t1-t2时间内,A相的电位最高,而B相电位最低,故对应VD1、VD4处于正向导通。同理,交流发动机的输出电压可视为A、B绕组之间的线电压。 在t2-t3时间内,A相电位最高,而C相电位最低,故VD1、VD6处于正向导通。同理,交流发动机的输出电压可视为A、C绕组之间的线电压。 以此类推,周而复始,在负载上便可获得一个比较平稳的直流脉动电压。 2)九管交流发电机的整流原理 九管交流发电机的特点是除了常用的6个整流二极管外,又增加了3个功率较小的二极管。3个功率较小的二极管用来供给交流发电机磁场电流,故又称之为磁场二极管。采用磁场二极管后,输出端连接充电指示灯,即可指示发电机工作情况的好坏。九管交流发电机充电系统的电路如图1-17所示。
图1-17 九管交流发电机充电系统电路图 3.交流发电机励磁方式 汽车用交流发电机的励磁方法是由他励方式到自励发电的一个过程。由于汽车用交流发电机转子的剩磁较弱,不能利用磁极的剩磁自励发电,所以需要外接直流电源。交流发电机只有在较高转速时,才能自励发电。交流发电机在低速运转时,采用他励方式。 三、国产交流发电机的型号 根据中华人民共和国行业标准QC/T 73-93《汽车电气设备产品型号编制方法》的规定,汽车交流发电机的型号表示方法如下:
第1部分为产品代号。交流发电机的产品代号有JF、JFZ、JFB、JFW四种,分别表示交流发电机、整体式交流发电机、带泵交流发电机和无刷交流发电机。 第2部分为电压等级代号。用1位阿拉伯数字表示,1-12 V;2-24V;6-6 V。 第3部分为电流等级代号。用1位或2位阿拉伯数字表示,其含义见表1-3。 表1-3 电流等级代号 第4部分为设计序号。用1或2位阿拉伯数字表示,按产品的先后顺序,用阿拉伯数字表示。 第5部分为变型代号。交流发电机以调整臂的位置作为变型代号。从驱动端看,在中间不加标记,Y-右边;Z-左边。 例如:桑塔纳、奥迪100型轿车所使用的JFZ1610Y型交流发电机,其含义是电压等级为12 V、输出电流大于60~90 A、第 10次设计、调整臂位于右边的整体式交流发电机。 |













