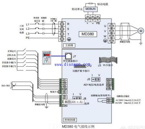
新购变频器如何正确的调试,此事对于刚入门的电工初学变频器的有一定难度,这时候必须熟读变频器的使用说明书。 不同类型、不同应用场合的变频器所适用的调试方法也有所不同,但都是通过安装在变频器面板上的按键进行调试的。 常见的变频器主要有操作面板调试、输入端子控制调试和综合调试几种。下面以汇川MD380型变频器为例,学习变频器的调试方法。学习变频器必须有变频器来实际操作,此时注意变频器的输入/输出的正确接线,千万不要搞错。如下图所示。
 对于初学者,可以直接用变频器的面板来操作,至于上图中的外部控制、调速不需要。 操作显示面板直接调试,如下图所示。
 学习变频器必须得把它面板上的各种按键搞清楚。
 操作显示面板直接调试包括通电前的检查、通电检查、设置电动机参数及自动调谐、设置变频器参数及空载试运行等步骤。 ①通电前的检查 变频器通电前的检查是变频器调试操作前的基本环节,属于最简单的调试环节,主要是对变频器及控制系统的接线以及初始状态进行检查。 变频器通电前的检查主要包括:a确认电源供电的电压正确,输入供电回路中连接好断路器;b确认变频器接地、电源电缆、电动机电缆、控制电缆连接正确可靠;c确认变频器冷却通风通畅;确认接线完成后变频器的盖子盖好;d确定当前电动机处于空载状态(电动机与机械负载未连接)。 ②通电检查 闭合断路器,使变频器通电,检查变频器是否有异常响声、冒烟、异味等情况;检查变频器操作显示面板有无故障报警信号提示,确定通电初始化状态正常。若有异常现象,应立刻断开供电电源。 ③设置电动机参数及自动调谐 明确被控电动机的性能参数,也是调试前的必备工作。准确识读被控电动机的铭牌参数,这些参数是变频器设置过程中参数依据。如下图所示。
 根据电动机铭牌参数,输入方法;按动变频器操作显面板,进入F1.00参数, 设置为0(普通异步电机);进入F1-01,设置电动机的额定功率为3.5kw。→按动变频器操作显示面板,进入F1.02参数,设置电动机的额定电压为380V。→按动变频器操作显示面板,进入F3.03参数,设置电动机额定电流为8A。→按动变频器操作显示面板,进入F1.05参数,设置电动机额定转速为1400r/min。→按动变频器操作显示面板,进入F1.09参数,设置电动机自动调谐允许。→进入F1.37参数,设置电动机调设置电动机自动调谐允许。设置电动机调谐进行。→调谐进行后,按RUN键,电动机开始旋转。→调谐结束后,电动机停正旋转,→此时按面板上的ESC键→返回,自动调谐全过程完成。 ④设置变频器参数 正确设置变频器的运行控制参数,即在“F0”参数组下,设定控制方式、频率设定方式、频率设定、运行选择等功能信怎。待参数设置完成后,按变频器的“MENU/ESC”菜单键退出编程状态,返回停机状态。 按动变频器显示面板,进入F0.02参数,设置变频器的控制方式为闭环矢量。→按动显示面板,进入F0.03参数,设置变频器频率设定方式,→这里有多种数字设定,根据自己的需要,一般选择“数字设定1”。→按面板显示,进入F0.04参数,设置变频器的频率设定。→例如选择30HZ或者50HZ。→按动面板显示,进入F0.05参数,设置运行命令选择方式,→例如变频器键盘控制,即操作面板运行命令控制。→按动面板显示,进入Fb.01参数,设置PG方向,例如→PG方向设为;正向。 ⑤空载运行 上面参数设置完成后,在电动机空载状态下,借助变频器的操作显示面板进行直接调试操作。 按RUN键,启动变频器运转→在运转中,按动上健或下键修改变频器当前设定频率,→在运行中,按FWD/REV键,改变电动机运行方向,→按ST0P键,电动机减速直到停机。→断开断路器,整个空载运行结束。 此时,还可以通过变频器操作面板显示进行电动机点动运行设置,→按动显示面板→进入F2.15参数,设置变频器的点动运行频率,→例如10HZ,→按动显示面板,进入F0.05参数,设置运行命令选择方式。例如→键盘命令。点动健在面板上的代号为J0G。 只要熟悉了变频器的功能代码和输入方式,对于千遍一律的变频器设置就可以得心应手了。
|