变频器控制的电机按停止按钮时,电机反而不受控制加速运行是什么原因?
时间:2023-03-04来源:佚名
|
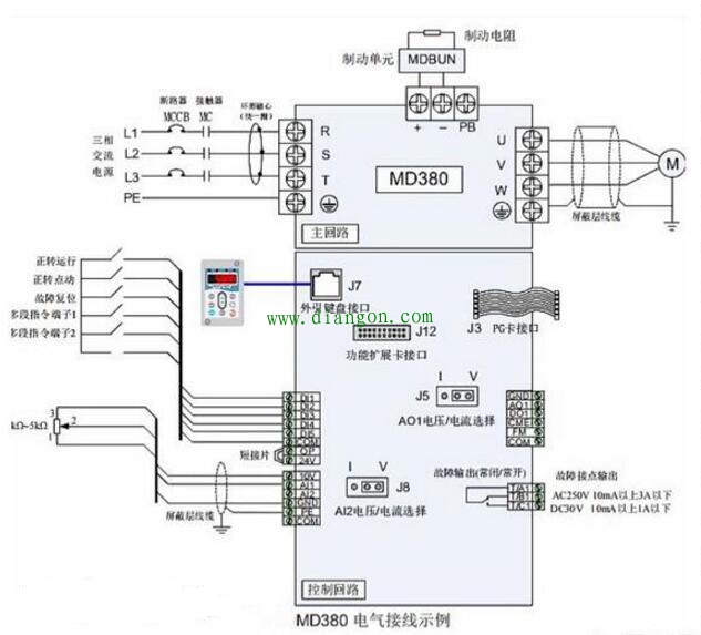
这种运行方式为外部端子控制;变频器端子输入分为模拟量输入(速度调节)、数字输入;当需要电机正转、反转、停止、点动,按下对应的SB按钮,数字输入端则为“ON”或“OFF”。出现提问者所说的这种情况,估计是变频器的输入端子控制线路出现问题,有可能会是变频器输入端子失效,或外部控制线路信号串线,或者是变频器端口中的OP与 24V电源跳动线松动等。
|
|
这种运行方式为外部端子控制;变频器端子输入分为模拟量输入(速度调节)、数字输入;当需要电机正转、反转、停止、点动,按下对应的SB按钮,数字输入端则为“ON”或“OFF”。出现提问者所说的这种情况,估计是变频器的输入端子控制线路出现问题,有可能会是变频器输入端子失效,或外部控制线路信号串线,或者是变频器端口中的OP与 24V电源跳动线松动等。
|









