伺服电机编码器的学习
时间:2023-03-04来源:佚名
|
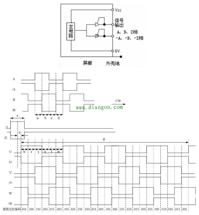
关于伺服电机的编码器这里只介绍要点,太多原理的东西也记不住,简明扼要的介绍。 编码器:增量2500线,8极。 品牌最主要有三家:日本多摩川/日本内密控/长春禹衡 日本做精密部件起步较早,所以在编码器使用稳定性上日本多摩川和内密控相对稳定些,而我们所见到的比如多摩川N8566 内密控48T 等都是在国内生产,国产编码器老大长春禹衡近年来编码器做的也越来越好,使用稳定性也提高不少,慢慢接近日系品牌,我个人还是比较支持国产编码器的发展,毕竟这在工业上也是比较重要的精密零部件,务必技术掌握在自己手里。 原理:增量式光电编码器的特点是每产生一个输出脉冲信号就对应于一个增量位移, 但是不能通过输出脉冲区别出在哪个位置上的增量。顾名思义“增量”。 结构:增量式光电编码器主要由光源、码盘、检测光栅、光电检测器件和转换电路组成。
信号输出形式:线驱动输出 这种输出方式将线驱动专用 IC 芯片(26LS31)用于编码器输出电路,由于它具有高速响应和良好的抗噪声性能,使得线驱动输出适宜长距离传输。输出电路如图主要应用领域有伺服电机、机器人、数控加工机械等。
|












