交流接触器自锁和互锁
时间:2023-03-04来源:佚名
|
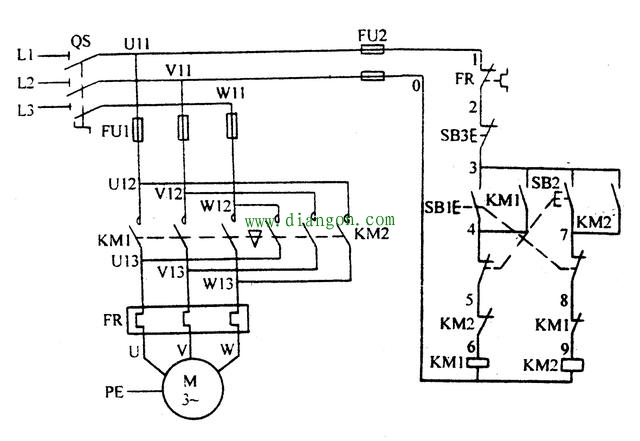
今天我们来分享一下看电路图的技巧,很多朋友刚刚接触电路图,感觉很复杂无从下手。我们就用星三角正反转电路这个经典案例简单分析一下,要想看懂复杂的电路图,首先要学会分析。就是把复杂的电路分解成自己认识的电路,然后连贯在一起。 两个基础的电路一定要熟练:自锁和互锁
|
|
今天我们来分享一下看电路图的技巧,很多朋友刚刚接触电路图,感觉很复杂无从下手。我们就用星三角正反转电路这个经典案例简单分析一下,要想看懂复杂的电路图,首先要学会分析。就是把复杂的电路分解成自己认识的电路,然后连贯在一起。 两个基础的电路一定要熟练:自锁和互锁
|







