|
液位继电器可以控制水泵实现自动排水和供水,所以应用的非常广泛,今天我们就来聊一下液位继电器的接线。
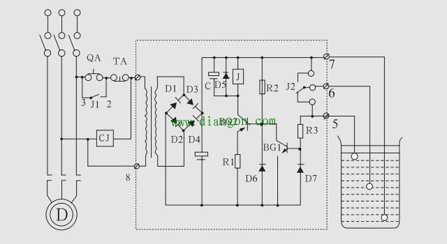
 液位继电器 每款液位继电器上都有接线图,不同品牌的液位继电器接线图稍有不同。但是原理都是一样的,2个触点对应继电器的线圈,3个触点对应液位继电器的3个液位探头,然后一组继电器输出,包含一组常开一组常闭。
 电路图 我们以这两个电路为例,220伏电路和380伏电路接法是一样的。一个是单相电机一个是三相电机,所以液位继电器的线圈电压一个是220伏一个是380伏。如图所示1和8是液位继电器的线圈,5、6、7是液位继电器的高中低3个液位探头,2和3是一组常开点,4和3是一组常闭点。
 供水接线 供水接线需要用到液位继电器的2和3这组常开点,当水位下降到探头低时,2和3就会导通水泵开始抽水。gdzrlj.com当水位达到探头高时,2和3复位断开电机停止,所以可以把2和3理解为一组开关。
 排水电路 排水电路需要用到液位继电器的3和4这组常闭点,当水位排到探头低时,3和4这组常闭点就会断开,水泵就会停止排水。当水位升到探头高时,3和4复位闭合水泵开始排水,如此循环重复。
 液位继电器 液位继电器的触点一般可承受5A左右的电流,如果水泵的功率低于1000瓦,也可以省去交流接触器,直接如图所示连接。
 液位继电器内部电路图 总结:如果我们想接供水电路,就用液位继电器的常开点,如果我们想接排水电路,就用液位继电器的常闭点。
|