三菱PLC怎样运用步进指令编写顺序控制程序
时间:2023-03-05来源:佚名
|
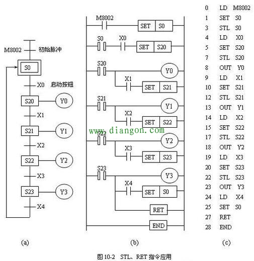
运用步进指令编写顺序控制程序时,首先应确定整个控制系统的流程,然后将复杂的任务或过程分解成若干个工序(状态),最后弄清各工序成立的条件、工序转移的条件和转移的方向,这样就可画出顺序功能图。根据控制要求,采用STL、RET指令的步进顺序控制可以有多种方式。如图10-2所示是单流程顺序功能图。图中M8002是特殊辅助继电器,仅在运行开始时瞬间接通,产生初始脉冲。如图10-3所示是选择性分支与汇合状态转移方式。如图10-4所示是并行分支与汇合状态转移方式。
|










