电气原理图是为了便于阅读和分析控制线路工作原理而绘制的。其主要形式是把一个电气元件的各部件以分开的形式进行绘制,因此电路结构简单、层次分明,适用于研究和分析控制系统的工作原理。
电气图一般分为电气原理图、电器元件布置图、电气安装接线图等。
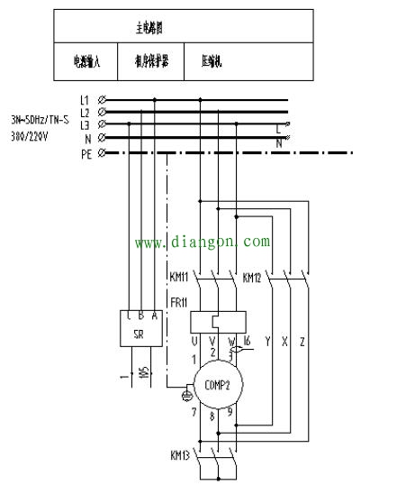
电气安装接线图:

熟练识读电气原理图,是掌握设备正常工作状态、迅速处理电气故障的必不可少的环节。重点学习电气原理图的读图步骤和读图方法,通过读图练习深化对电气原理图的识读过程,并掌握对常见故障的分析步骤和分析方法。在阅读电气原理图时,必须熟悉图中各器件符号和作用。

阅读主电路时,应该了解主电路有哪些用电设备(如压缩机、风机等),以及这些设备的用途和工作特点。并根据工艺过程,了解各用电设备之间的相互联系,采用的保护方式等。在完全了解主电路的这些工作特点后,就可以根据这些特点再去阅读控制控制电路。

阅读控制电路时,一般先根据主电路接触器主触点的文字符号,到控制电路中去找与之相应的吸引线圈,进一步弄清楚电机的控制方式。这样可将整个电气原理图划分为若干部分,每一部分控制一台电动机。另外控制电路以办事依照生产工艺要求,按动作的先后顺序,自上而下、从左到右、并联排列。因此读图时也应当自上而下、从左到右,一个环节、一个环节地进行分析。

对于机、电、液配合得比较紧密的生产机械,必须进一步了解有关机械传动和液压传动的情况,有时还要借助于工作循环图和动作顺序表,配合电器动作来分析电路中的各种联锁关系,以便掌握其全部控制过程。
最后阅读照明、信号指示、监测、保护等各辅助电路环节。
对于比较复杂的控制电路,可按照先简后繁,先易后难的原则,逐步解决。因为无论怎样复杂的控制线路,总是由许多简单的基本环节所组成。阅读时可将他们分解开来,先逐个分析各个基本环节,然后再综合起来全面加以解决。
概括地说,阅读的方法可以归纳为:从机到电、先“主”后“控”、化整为零、连成系统。