新手电工如何快速入门
时间:2023-03-06来源:佚名
|
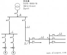
根据我的经验我总结学习电工基础知识的的几个要点; 1. 要从兴趣出发(你对这行不感兴趣,还不如不入行) 2.注意生活的点滴 3. 多问 4. 不要怕活多,实践出真知 5. 去一些论坛逛逛,那里有很多这方面知识,我常去的是电工论坛 (由于百度经验不让发布连接请看参考资料吧) 你需要了解的知识 低压线路中,电工至少要懂得零火线,火线有电,零线没电,电压220V,如果是三相电,则有三根火线,一根零线,火线间电压380V,零线线间电压220V,如果用户用的是三相电,零线烧的话,家里电器会烧,这个是火线间有相序关系。零火线不能碰在一起,火线跟火线也不能碰在一起。下面分析几种常见的故障及原因分析: 电笔测用户表前开关火线没电,则可判断该火线进线与外线接触不良或者断线。www.gdzrlj.com 电笔测用户表前开关零火线带电,则有可能是该开关内部机构问题或者是该进户线零线与外线接触不良。 凡是出现接触不良的情况,特别需要检查是否存在铜铝线对接的,铜铝线对接极易腐蚀,也要看下铝线跟铝线是否存在虚接的情况。 电笔测电表下方开关零火线正常,但用户家总开关零火线带电,则是电表到用户家里出现零线断线。
|







