|
ABB变频器过电流的故障维修的思路。在准备维修ABB变频器过电流的故障时,首先要先锁定引起故障的大致部位,在针对锁定部位采用一定的方法和手段对锁定部位进行详细的检查,从而可以达到迅速找出导致过电流故障的原因。问题是如何才能锁定引起过电流的大致部位,这是过电流故障维修的关键!小编认为想要准确的锁定引起过电流的大致部位,就必须要对变频器的结构组成和工作原理有所了解,如果你连变频器由哪几部分组成都不知道,变频器各组成部分的工作原理您也不清楚,那么您就很难去锁定引起过电流的大致部位,因为锁定一个引发故障的部位不是信口雌黄随便划定的,随便划定的故障部位没有任何意义,它只能让您在维修多走弯路!所以对变频器的结构组成和工作原理有所了解是至关重要、不能忽视的!
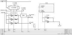
 变频器结构图 ABB变频器过电流的故障维修方法。ABB变频器过电流的故障维修方法是根据变频器的结构组成和工作原理锁定引起过电流的大致部位后,在根据每个部位的电路特点,采用万用表或示波器对相关电路的关键测试点进行检测,从而查出损坏的电子元件或其它导致过电流的故障原因。就ABB变频器过电流的故障维修方法来说吧,首先要判断是电流检测电路出了故障造成本来没有过电流,但检测电路却向CPU电路汇报说有存在过电流故障。如果存在电流检测电路谎报军情的情况,则故障出在电流检测电路,如果不存在电流检测电路谎报军情的情况则故障出在逆变电路或驱动电路。
 模拟信号/开关量信号处理电路 检修时先将IGBT模块拆下,然后在检查电流检测电路集成电路六脚输出的电压,这个电压就是检测电路向CPU电路汇报的直接路径,如果没有电压说明已然存在过电流故障,这个电压值正常时为13V,检测结果还是没有!说明IGBT模块没有故障,接着用示波器检查六路驱动电路发出的触发脉冲是否常,结果发现有其中两路脉冲杂乱无章,说明是这两路驱动电路故障引发的过电流故障,遂对这两路驱动电路进行检查,发现两个A3150的光电耦合器损坏,还有两只100Ω的电阻阻值增大,将损坏的元件更换后,通电试机时过电流故障消失,接上电动机启动变频器,变频器拖动电机运行平稳,运行一个钟后检测变频器温升在正常范围内,至此ABB变频器过电流的故障维修结束,ABB变频器过电流的故障被排除。
|