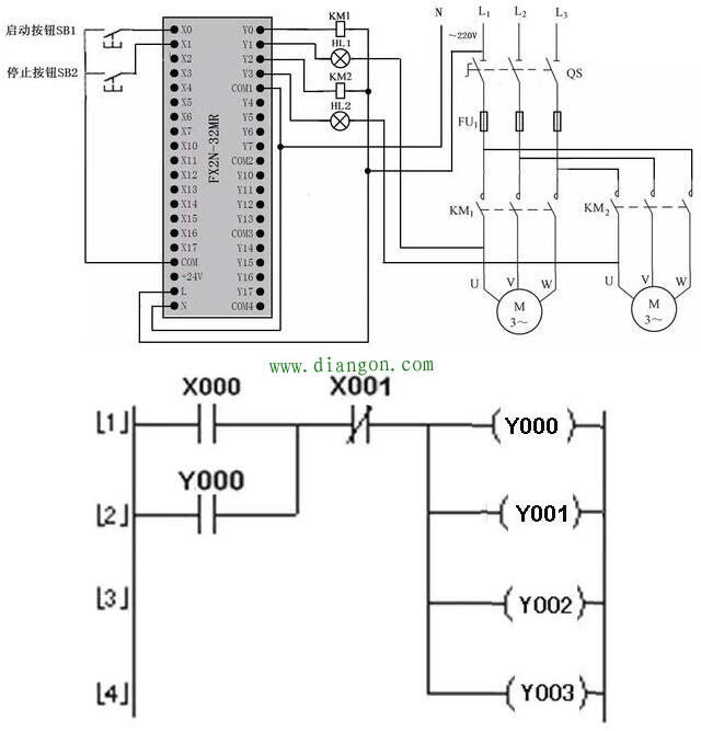
多重输出控制的PLC线路与梯形图

时间:2023-03-06来源:佚名

多重输出控制的PLC线路与梯形图

plc线路与梯形图说明如下:

多重输出控制的PLC线路与梯形图
(1)起动控制

多重输出控制的PLC线路与梯形图
(2)停止控制

    相关阅读

    变频器使用教程_变频器使用说明书

    变频器 是什么呢?松下变频器其实即使由日本松下集团所研发出知名变频器品牌,变频器最为主要的作用就是用来控制和调节交流电机的速度。变频器的功能还有很多,在使用变频器的...
    2023-03-08

    数控机床的组成和分类

    一、数控机床 的组成 数控机床一般由输入输出设备、数控装置伺服系统、测量反馈装置和机床本体组成,见图1-1。 1.输入输出设备 输入输出设备主要实现程序编制、程序和数据的输...
    2023-03-14
    数控机床的组成和分类

    二次回路的类型

    电气 二次回路起到对电气一次回路和其他电气设备的调控与保护电路的作用。电气二次回路作为电路系统中重要的环节,其正常运转不仅是保障电路系统正常运行的重要因素,更是保障...
    2023-03-06
    二次回路的类型

    陶瓷电容和电解电容的并联的作用

    高压瓷片电容消除高频率危害,电解电容器清除低頻危害,整个开关电源电路组成是个滤波电路。 1、滤波功用开关电源电路中,整流电路将交流变为脉动的直流,而在整流电路过后连接...
    2023-03-31
    陶瓷电容和电解电容的并联的作用

    直流电机的电枢电动势是什么,怎么计算感应电动势的大小

    有关直流电机的电枢电动势的相关知识,电枢绕组中的感应电动势,在电机运行的过程中会一直存在,该感应电动势是指一条支路的电动势,一起来看下感应电动势的计算方法 。 直流...
    2022-12-10

    热销商品

    加厚abs安全帽电工建筑工地程施工领导监理透气防砸头盔可印字V型

    这款加厚ABS安全帽专为电工、建筑工地施工人员、领导及监理设计,采用高强度ABS工程塑料,抗冲击、防砸性能优异,有效保障头部安全。帽体加厚设计,增强耐用性与防护等级...
    5.8

    水口钳高硬度模型剪钳电子钳工业级口水剪斜嘴钳偏口斜口专用钳子

    水口钳高硬度模型剪钳是一款工业级精密工具,专为电子、模型制作及精细作业设计。采用优质高碳钢材质,经热处理工艺打造,具备卓越的硬度和耐磨性,可轻松剪切金属引脚、...
    4.8

    170电子剪钳II 如意斜口钳 工业斜嘴钳水口钳 模型剪塑胶钳尖嘴钳

    170电子剪钳II如意斜口钳是一款专业级精密工具,集工业斜嘴钳、水口钳、模型剪、塑胶钳与尖嘴钳功能于一体,适用于电子维修、模型制作、手工艺及精密作业。其采用优...
    4.5

    安全帽国标工地加厚施工领导透气安全头盔建筑工程监理免费印字

    本款安全帽严格遵循国家GB 2811-2019标准,专为建筑工程、工地施工及监理人员设计。采用高强度ABS工程塑料,加厚壳体有效抗冲击,保障头部安全。帽体轻盈透气,内置可调...
    10

    包邮三角型简易螺丝刀三角十字螺丝刀螺丝批改锥起子五金工具5mm

    这款5mm三角型简易螺丝刀,专为拧紧或拆卸三角形螺丝设计,适用于电子维修、家电维护及精密仪器装配等场景。采用优质合金钢材质,刀头硬度高、耐磨损,确保长久使用不变...
    3.64

    网站栏目